-
-
Flowmatik
-
Napędy pneumatyczne
-
Sprężyny gazowe i amortyzatory przemysłowe
-
Zawory i elektrozawory pneumatyczne
-
Zawory elektromagnetyczne membranowe
-
Łączniki przewodów i rur
-
Armatura gwintowana
-
Szybkozłącza, złącza do węży
-
Armatura przemysłowa ze stali nierdzewnej
-
Przygotowanie powietrza - bloki, reduktory, filtry
-
Zawory kulowe - Armatura Przemysłowa
-
Węże pneumatyczne, węże przemysłowe
-
Festo
- SMC
-
Technika pomiarowa
-
Technika próżniowa
-
Próżnia przemysłowa
-
Kleje, Smary, Spraye
-
Kompresory
-
Osuszacze, uzdatnianie powietrza
-
Zawory bezpieczeństwa
-
Zbiorniki ciśnieniowe
-
Instalacje pneumatyczne
-
Narzędzia pneumatyczne
-
Technika lakiernicza
-
Pompy przemysłowe
-
Urządzenia pomiarowe
-
Bezpieczna pneumatyka
-
Hydraulika siłowa
-
Nowości w ofercie
- Wyprzedaż
-
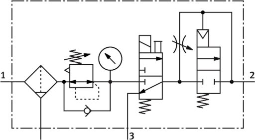
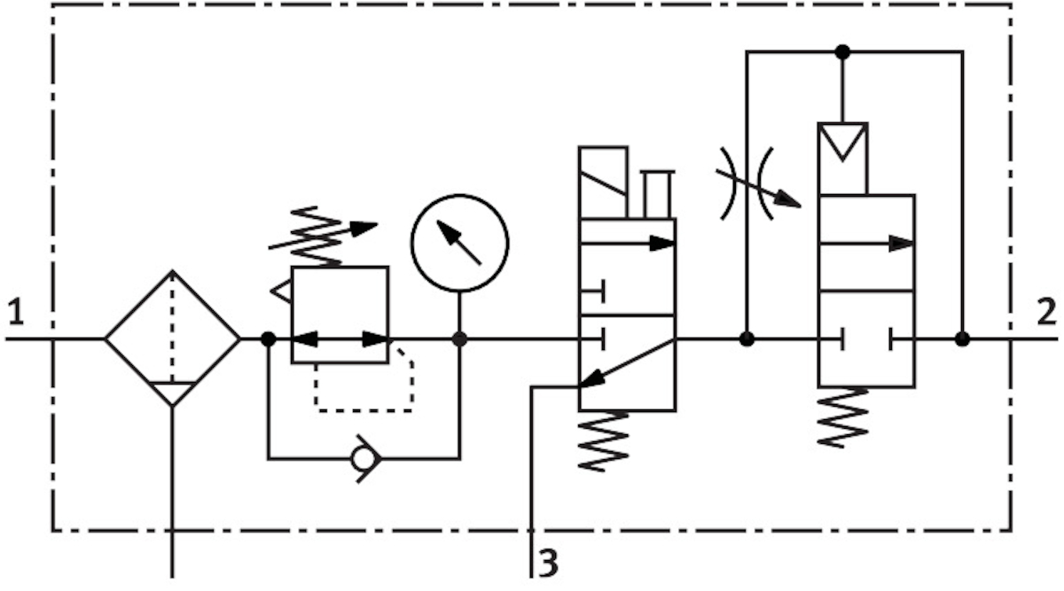
| Seria | MS |
| Pozycja montażu | w pionie +/- 5° |
| Normalny przepływ nominalny (znormalizowany zgodnie z DIN 1343) | od 3100 - od 5500 L2 |
| Medium robocze | Sprężone powietrze wg ISO 8573-1:2010 [-:4:-] - Sprężone powietrze wg ISO 8573-1:2010 [7:4:4] |
| Uwaga dotycząca medium roboczego/sterującego | Możliwa praca z powietrzem olejonym (po rozpoczęciu olejenia trzeba je kontynuować) |
| Zgodność z LABS | VDMA24364-B1/B2-L |
| Temperatura przechowywania | od -10 do 60 GC |
| Temperatura medium | od -10 do 60 GC |
| Temperatura otoczenia | od -10 do 60 GC |
| Waga produktu | od 2400 - od 1100 G |
| Przyłącze pneumatyczne 1 | G1/2 |
| Przyłącze pneumatyczne 2 | G1/2 |
0/5 0
ekspresowe dostawy
wygodne płatności
zakupy 24h
gwarancja jakości
- Warianty produktu
- Akcesoria
- Opinie
- Pliki do pobrania
Warianty produktu
Filtry
Nr katalogowy
Wielkość
Seria
MSB6-1/2-FRC1:J5M1 Kombinacja zespołów przygotowania powietrza
Pokrętło obrotowe ze zintegrowanym zamkiem
MS
MSB6-1/2-FRC10:J12M2 Kombinacja zespołów przygotowania powietrza
Pokrętło obrotowe ze zintegrowanym zamkiem
MS
MSB6-1/2-FRC11:J9M2 Kombinacja zespołów przygotowania powietrza
Pokrętło obrotowe ze zintegrowanym zamkiem
MS
MSB6-1/2-FRC12:J10M2 Kombinacja zespołów przygotowania powietrza
Pokrętło obrotowe ze zintegrowanym zamkiem
MS
MSB6-1/2-FRC5:J1M1 Kombinacja zespołów przygotowania powietrza
Pokrętło obrotowe ze zintegrowanym zamkiem
MS
MSB6-1/2-FRC5:J1M1-Z Kombinacja zespołów przygotowania powietrza
Pokrętło obrotowe ze zintegrowanym zamkiem
MS
MSB6-1/2-FRC6:J2M1 Kombinacja zespołów przygotowania powietrza
Pokrętło obrotowe ze zintegrowanym zamkiem
MS
MSB6-1/2-FRC7:J3M1 Kombinacja zespołów przygotowania powietrza
Pokrętło obrotowe ze zintegrowanym zamkiem
MS
MSB6-1/2-FRC9:J11M2 Kombinacja zespołów przygotowania powietrza
Pokrętło obrotowe ze zintegrowanym zamkiem
MS
MSB6-1/4-FRC5:J1M1 Kombinacja zespołów przygotowania powietrza
Pokrętło obrotowe ze zintegrowanym zamkiem
MS
MSB6-3/8-FRC5:J1M1 Kombinacja zespołów przygotowania powietrza
Pokrętło obrotowe ze zintegrowanym zamkiem
MS
Akcesoria
Opinie
Ten produkt nie ma jeszcze opinii
Pliki do pobrania
Ten produkt nie posiada plików do pobrania
Skontaktuj się z nami wybierając interesujący Cię region
Korzyści zakupów
Darmowa przesyłka od 500 zł
2% zniżki na nocne zakupy
Odbiór zamówień już na drugi dzień
Produkcja siłowników w 24h
Wygodne metody płatności



