Tu jesteś:
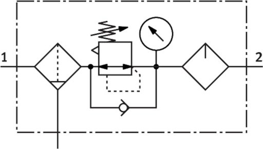
- MSB6-1/2-FRC5:J1M1 Kombinacja zespołów przygotowania powietrza
MSB6-1/2-FRC5:J1M1 Kombinacja zespołów przygotowania powietrza FESTO-530244
numer katalogowy: FESTO-530244
kategoria: Typoszereg MS
Ocena średnia: Pneumat System nie weryfikuje treści opinii zamieszczanych na stronie internetowej.
(0 opinii)
- Dane produktu
- Dane podstawowe
- Akcesoria
- Zdjęcia
- Dane produktu
- Dane podstawowe
- Zdjęcia
- Akcesoria
- Zabezpieczenie przed uruchomieniemPokrętło obrotowe ze zintegrowanym zamkiemSeriaMSSymbol00991761Pozycja montażuw pionie +/- 5°Spust kondensatuOdkręcany ręcznieKonstrukcjaRegulator z filtrem i manometremDokładność filtracjiod 40 MIMFunkcja regulatoraStałe ciśnienie wyjścioweOsłona pojemnikaOsłona ochronna z tworzywaTemperatura przechowywaniaod -10 do 60 GCWskaźnik ciśnieniaZ manometremCiśnienie roboczeod 1.5 do 20 BARZakres regulacji ciśnieniaod 0.5 do 12 BARNormalny przepływ nominalny (znormalizowany zgodnie z DIN 1343)od 3700 L2Medium roboczeSprężone powietrze wg ISO 8573-1:2010 [-:4:-]Uwaga dotycząca medium roboczego/sterującegoMożliwa praca z powietrzem olejonym (po rozpoczęciu olejenia trzeba je kontynuować)Klasa odporności korozyjnej wg normy Festo2 - średnie obciążenie korozyjneZgodność z LABSVDMA24364-B1/B2-LKlasa czystości powietrza na wyjściuSprężone powietrze wg ISO 8573-1:2010 [7:4:-]Temperatura mediumod -10 do 60 GCTemperatura otoczeniaod -10 do 60 GCWaga produktuod 1495 GTyp mocowaniaPrzy pomocy osprzętuPrzyłącze pneumatyczne 1G1/2Przyłącze pneumatyczne 2G1/2Informacja o materiałachZgodność z dyrektywą RoHS
Pliki do pobrania:
- Karta Produktu
-
- Brak danych dla tego produktu
Pliki do pobrania:
- Karta Produktu
-
-
Pliki do pobrania:
- Karta Produktu
-
Skontaktuj się z nami wybierając interesujący Cię region



