- Zawór kulowy do branży spożywczej ELIT BSP
-
-
Flowmatik
-
Napędy pneumatyczne
-
Sprężyny gazowe i amortyzatory przemysłowe
-
Zawory i elektrozawory pneumatyczne
-
Zawory elektromagnetyczne membranowe
-
Łączniki przewodów i rur
-
Armatura gwintowana
-
Szybkozłącza, złącza do węży
-
Armatura przemysłowa ze stali nierdzewnej
-
Przygotowanie powietrza - bloki, reduktory, filtry
-
Zawory kulowe - Armatura Przemysłowa
-
Węże pneumatyczne, węże przemysłowe
-
Festo
- SMC
-
Technika pomiarowa
-
Technika próżniowa
-
Próżnia przemysłowa
-
Kleje, Smary, Spraye
-
Kompresory
-
Osuszacze, uzdatnianie powietrza
-
Zawory bezpieczeństwa
-
Zbiorniki ciśnieniowe
-
Instalacje pneumatyczne
-
Narzędzia pneumatyczne
-
Technika lakiernicza
-
Pompy przemysłowe
-
Urządzenia pomiarowe
-
Bezpieczna pneumatyka
-
Hydraulika siłowa
-
Nowości w ofercie
- Wyprzedaż
-
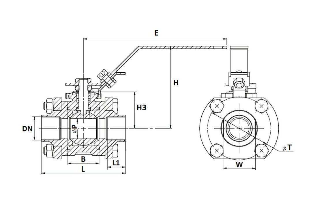
| Materiał korpusu | Stal nierdzewna 1.4409 |
| Materiał kuli | Stal nierdzewna CF3M |
| Materiał rączki | Stal nierdzewna AISI 304 |
| Ciśnienie robocze | max. 63 bar |
| Temperatura pracy | -50 do +210 °C |
| Gwint | GW1/4 - GW2 |
| L | 65,2 - 150 |
| B | 20,4 - 71 |
| P | 11,3 - 50 |
| H3 | 28 - 72.5 |
| H | 70,3 - 139,6 |
| E | 130 - 216 |
| L1 | 10,5 - 17,7 |
| T | 43 - 114 |
| W | 24 - 70 |
| Waga | 0,6 - 7,7 kg |
- Warianty produktu
- Akcesoria
- Opinie
- Pliki do pobrania

Opiekunem kategorii jest:
Kamil Baryń
Category Manager
E-mail: armaturaprzemyslowa@pneumat.com.pl
Biogram
Absolwent Politechniki Wrocławskiej, wydziału Mechanicznego. Swoją przygodę z pneumatyką zaczynał od pracy w dziale serwisu przy maszynach konfekcjonujących. Od 2011 roku rozwija dział armatury przemysłowej w Pneumacie. „Turysta przemysłowy”, który woli spotkania z Klientami na linii produkcyjnej od oglądania „Jak to jest zrobione”.

Opiekunem kategorii jest:
Kamil Baryń
Category Manager
E-mail: armaturaprzemyslowa@pneumat.com.pl
Absolwent Politechniki Wrocławskiej, wydziału Mechanicznego. Swoją przygodę z pneumatyką zaczynał od pracy w dziale serwisu przy maszynach konfekcjonujących. Od 2011 roku rozwija dział armatury przemysłowej w Pneumacie. „Turysta przemysłowy”, który woli spotkania z Klientami na linii produkcyjnej od oglądania „Jak to jest zrobione”.
Skontaktuj się z nami wybierając interesujący Cię region



