Przetwornik sygnału SVE4
| Symbol | 00991963 - 00991966 |
| Certyfikacja | RCM Mark |
| Znak CE (patrz deklaracja zgodności) | Zgodnie z dyrektywą kompatybilności elektromagnetycznej UE |
| Znak UKCA (patrz deklaracja zgodności) | wg przepisów UK dot. EMV |
| Informacja o materiałach | Zgodność z dyrektywą RoHS |
| Zakres sygnału | dopasowany do czujników położenia SMH-S1-HG - 0 - 20 mA +/-0,6 mA |
| Temperatura otoczenia | od -20 do 70 GC |
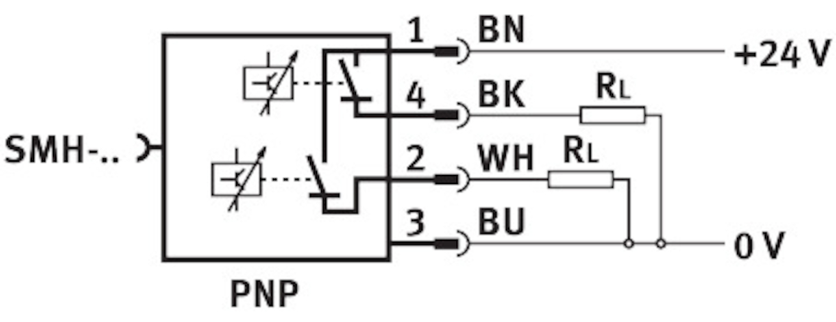
| Wyjście dwustanowe | 2xPNP - 2xNPN |
| Funkcja przełączania | Dowolnie programowalna |
| Funkcja elementu przełączającego | z możliwością przełączania |
| Zabezpieczenie przeciwzwarciowe | Pulsed |
| Zakres napięcia roboczego DC | od 10 do 30 V |
| Przyłącze elektryczne 1, rodzaj przyłącza | Gniazdo wtykowe |
| Przyłącze elektryczne 1, technika przyłączeniowa | M8x1 kodowanie A wg EN 61076-2-104 |
| Przyłącze elektryczne 1, liczba pinów/żył | od 4 |
| Przyłącze elektryczne 1, układ połączeń | 00991872 |
| Przyłącze elektryczne 2, rodzaj przyłącza | Wtyczka |
| Przyłącze elektryczne 2, technika przyłączeniowa | M8x1 kodowanie A wg EN 61076-2-104 |
| Przyłącze elektryczne 2, liczba pinów/żył | od 4 |
| Przyłącze elektryczne 2, schemat przyłączy | 00991171 |



