Tu jesteś:
- SVE4-IS-R-HM8-2N-M8 Przetwornik sygnału
SVE4-IS-R-HM8-2N-M8 Przetwornik sygnału FESTO-544221
numer katalogowy: FESTO-544221
kategoria: Konwertery sygnału
Ocena średnia: Pneumat System nie weryfikuje treści opinii zamieszczanych na stronie internetowej.
(0 opinii)
- Dane produktu
- Dane podstawowe
- Akcesoria
- Zdjęcia
- Dane produktu
- Dane podstawowe
- Zdjęcia
- Akcesoria
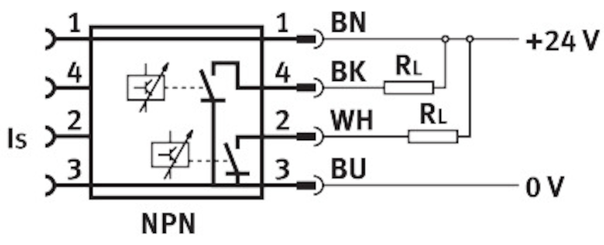
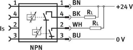
- Symbol00991963CertyfikacjaRCM MarkZnak CE (patrz deklaracja zgodności)Zgodnie z dyrektywą kompatybilności elektromagnetycznej UEZnak UKCA (patrz deklaracja zgodności)wg przepisów UK dot. EMVInformacja o materiałachZgodność z dyrektywą RoHSZakres sygnału0 - 20 mA +/-0,6 mATemperatura otoczeniaod -20 do 70 GCWyjście dwustanowe2xNPNFunkcja przełączaniaDowolnie programowalnaFunkcja elementu przełączającegoz możliwością przełączaniaZabezpieczenie przeciwzwarciowePulsedZakres napięcia roboczego DCod 10 do 30 VPrzyłącze elektryczne 1, rodzaj przyłączaGniazdo wtykowePrzyłącze elektryczne 1, technika przyłączeniowaM8x1 kodowanie A wg EN 61076-2-104Przyłącze elektryczne 1, liczba pinów/żyłod 4Przyłącze elektryczne 1, układ połączeń00991872Przyłącze elektryczne 2, rodzaj przyłączaWtyczkaPrzyłącze elektryczne 2, technika przyłączeniowaM8x1 kodowanie A wg EN 61076-2-104Przyłącze elektryczne 2, liczba pinów/żyłod 4Przyłącze elektryczne 2, schemat przyłączy00991171Waga produktuod 19 GMateriał obudowyABSOpcje ustawieńTeach-InStopień ochronyIP65Klasa odporności korozyjnej wg normy Festo2 - średnie obciążenie korozyjneZgodność z LABSVDMA24364-B2-L
Pliki do pobrania:
- Karta Produktu
-
- Brak danych dla tego produktu
Pliki do pobrania:
- Karta Produktu
-
-
Pliki do pobrania:
- Karta Produktu
-
Skontaktuj się z nami wybierając interesujący Cię region



