Mocni w działaniu
Zamów do 16:00, a produkty dostępne na dzisiaj wyślemy tego samego dnia
Ponad 40 lat na rynku

Generatory podciśnienia OVEL

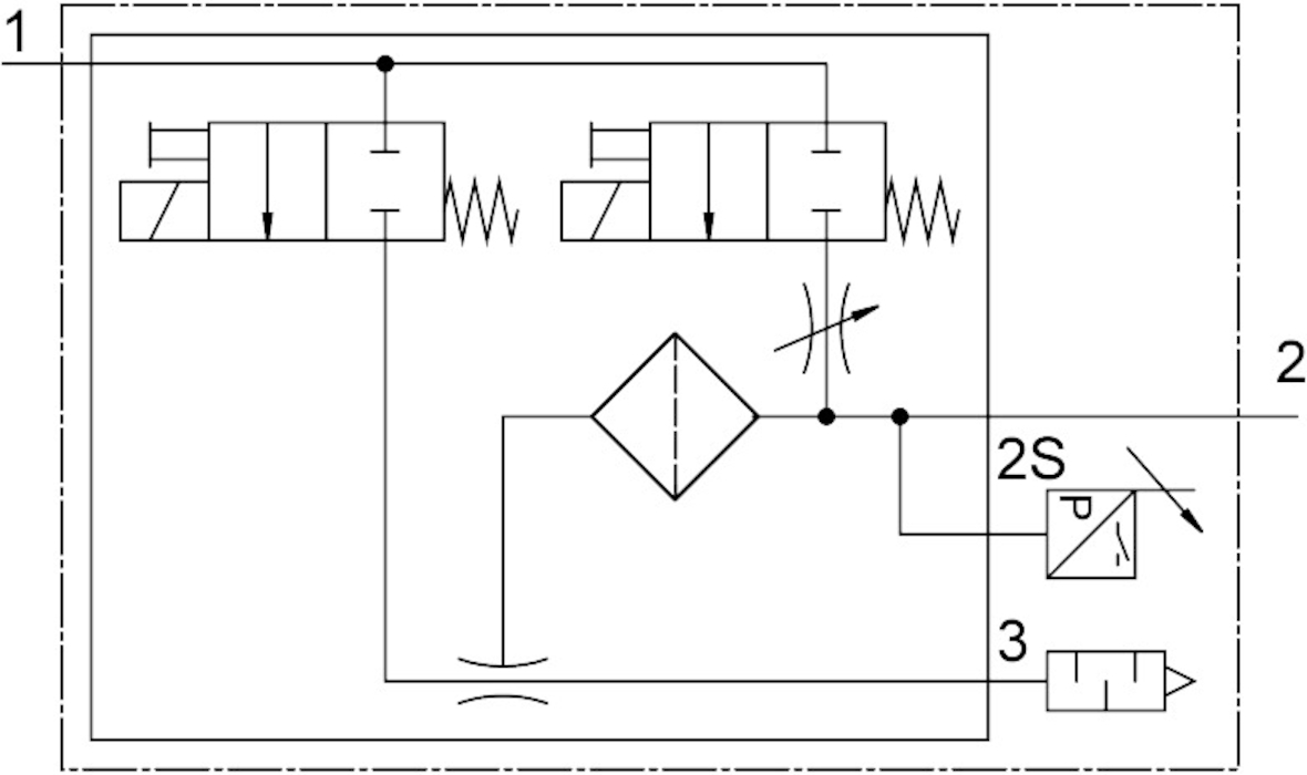
Zintegrowana funkcja Impuls wyrzutowy elektryczny - Impuls wyrzutowy elektryczny, Zawór dławiący, Przetworniki ciśnienia, Zawór załączający, elektryczny, Filtr, Tłumik hałasu, otwarty
Charakterystyka eżektora wysokie podciśnienie - wysokie podciśnienie, Standard
Temperatura otoczenia do 50 GC
Waga produktu od 71 - 98 G
Funkcja zaworu zamknięty
Ciśnienie robocze/MPA od 0.2 do 0.7 MPA
Ciśnienie robocze/BAR od 2 do 7 BAR
Maks. podciśnienie od 89 - 92 %
Zakres napięcia roboczego DC od 21.6 do 26.4 V
Parametry cewki 24 V DC: 1,0 W - 24 V DC: 1,28 W
Medium robocze Sprężone powietrze wg ISO 8573-1:2010 [7:4:4]
Uwaga dotycząca medium roboczego/sterującego Praca z olejonym powietrzem nie jest możliwa
Klasa odporności korozyjnej wg normy Festo 2 - średnie obciążenie korozyjne
Zgodność z LABS VDMA24364-B1/B2-L
Przyłącze elektryczne, wejście, funkcja Impuls wyrzutowy - Impuls wyrzutowy, Wytwarzanie podciśnienia
Przyłącze elektryczne, wejście, rodzaj przyłącza 2x wtyczka
Przyłącze elektryczne, wejście, technologia przyłączeniowa Układ przyłączy H - M8x1, kodowanie A wg EN 61076-2-104
Przyłącze elektryczne, wejście, liczba pinów/żył 2
Typ mocowania Przy pomocy otworów przelotowych
Przyłącze pneumatyczne 1 do przewodu o średnicy zewn. Ø 4 mm - do przewodu o średnicy zewn. 6 mm
0/5 0
ekspresowe dostawy
wygodne płatności
zakupy 24h
gwarancja jakości
  • Warianty produktu
  • Akcesoria
  • Opinie
  • Pliki do pobrania
Warianty produktu
Filtry
Nr katalogowy
Pomocnicze sterowanie ręczne
Zintegrowana funkcja
OVEL-5-H-10-PQ-VQ4-UA-C-A-V1B-H3 Generator podciśnienia
bez blokady
Impuls wyrzutowy elektryczny
OVEL-7-H-15-PQ-VQ4-UA-C-A-V1B-H3 Generator podciśnienia
bez blokady
Impuls wyrzutowy elektryczny
OVEL-10-H-15-PQ-VQ6-UA-C-A-V1B-H3 Generator podciśnienia
bez blokady
Impuls wyrzutowy elektryczny
OVEL-5-H-10-PQ-VQ4-UA-C-A-V1V-H3 Generator podciśnienia
bez blokady
Impuls wyrzutowy elektryczny
OVEL-7-H-15-PQ-VQ4-UA-C-A-V1V-H3 Generator podciśnienia
bez blokady
Impuls wyrzutowy elektryczny
OVEL-10-H-15-PQ-VQ6-UA-C-A-V1V-H3 Generator podciśnienia
bez blokady
Impuls wyrzutowy elektryczny
OVEL-5-H-10-PQ-VQ4-UA-C-A-V1PNLK-H3 Generator podciśnienia
bez blokady
Impuls wyrzutowy elektryczny
OVEL-7-H-15-PQ-VQ4-UA-C-A-V1PNLK-H3 Generator podciśnienia
bez blokady
Impuls wyrzutowy elektryczny
OVEL-10-H-15-PQ-VQ6-UA-C-A-V1PNLK-H3 Generator podciśnienia
bez blokady
Impuls wyrzutowy elektryczny
OVEL-5-H-10-PQ-VQ4-UA-C-A-B2V-H3 Generator podciśnienia
bez blokady
Impuls wyrzutowy elektryczny
OVEL-7-H-15-PQ-VQ4-UA-C-A-B2V-H3 Generator podciśnienia
bez blokady
Impuls wyrzutowy elektryczny
OVEL-10-H-15-PQ-VQ6-UA-C-A-B2V-H3 Generator podciśnienia
bez blokady
Impuls wyrzutowy elektryczny
OVEL-5-H-10-PQ-VQ4-UA-C-A-B2PNLK-H3 Generator podciśnienia
bez blokady
Impuls wyrzutowy elektryczny
OVEL-7-H-15-PQ-VQ4-UA-C-A-B2PNLK-H3 Generator podciśnienia
bez blokady
Impuls wyrzutowy elektryczny
OVEL-10-H-15-PQ-VQ6-UA-C-A-B2PNLK-H3 Generator podciśnienia
bez blokady
Impuls wyrzutowy elektryczny
OVEL-10-H-15-PQ-VM7-UA-C-A-V1V-H3-RA1 Zespół chwytaka przyssawkowego do robotów
Impuls wyrzutowy elektryczny
wysokie podciśnienie
OVEL-10-H-15-PQ-VM7-UA-C-A-V1V-H3 Generator podciśnienia
bez blokady
Impuls wyrzutowy elektryczny
OVEL-5-H-10-P-VQ4-UC-C-A-V1PNLK-H3 Generator podciśnienia
bez blokady
Impuls wyrzutowy elektryczny
OVEL-7-H-15-P-VQ4-UC-C-A-V1PNLK-H3 Generator podciśnienia
bez blokady
Impuls wyrzutowy elektryczny
OVEL-10-H-15-P-VQ6-UC-C-A-V1PNLK-H3 Generator podciśnienia
bez blokady
Impuls wyrzutowy elektryczny
OVEL-7-H-15-PQ-VQ4-UC-C-A-V1PNLK-H3 Generator podciśnienia
bez blokady
Impuls wyrzutowy elektryczny
OVEL-10-H-15-PQ-VQ6-UC-C-A-V1PNLK-H3 Generator podciśnienia
bez blokady
Impuls wyrzutowy elektryczny
OVEL-5-H-10-P-VQ4-UC-C-A-H3 Generator podciśnienia
bez blokady
Impuls wyrzutowy elektryczny
OVEL-7-H-15-P-VQ4-UC-C-A-H3 Generator podciśnienia
bez blokady
Impuls wyrzutowy elektryczny
OVEL-10-H-15-P-VQ6-UC-C-A-H3 Generator podciśnienia
bez blokady
Impuls wyrzutowy elektryczny

Skontaktuj się z nami wybierając interesujący Cię region



Korzyści zakupów

Samochód
Darmowa przesyłka od 500 zł
Księżyc
2% zniżki na nocne zakupy
Pudełko
Odbiór zamówień już na drugi dzień
Zegar
Produkcja siłowników w 24h
Karty płatnicze
Wygodne metody płatności