Tu jesteś:
- OVEL-10-H-15-P-VQ6-UC-C-A-H3 Generator podciśnienia
OVEL-10-H-15-P-VQ6-UC-C-A-H3 Generator podciśnienia FESTO-8141097
numer katalogowy: FESTO-8141097
kategoria: Generatory podciśnienia
Ocena średnia: Pneumat System nie weryfikuje treści opinii zamieszczanych na stronie internetowej.
(0 opinii)
- Dane produktu
- Dane podstawowe
- Akcesoria
- Zdjęcia
- Dane produktu
- Dane podstawowe
- Zdjęcia
- Akcesoria
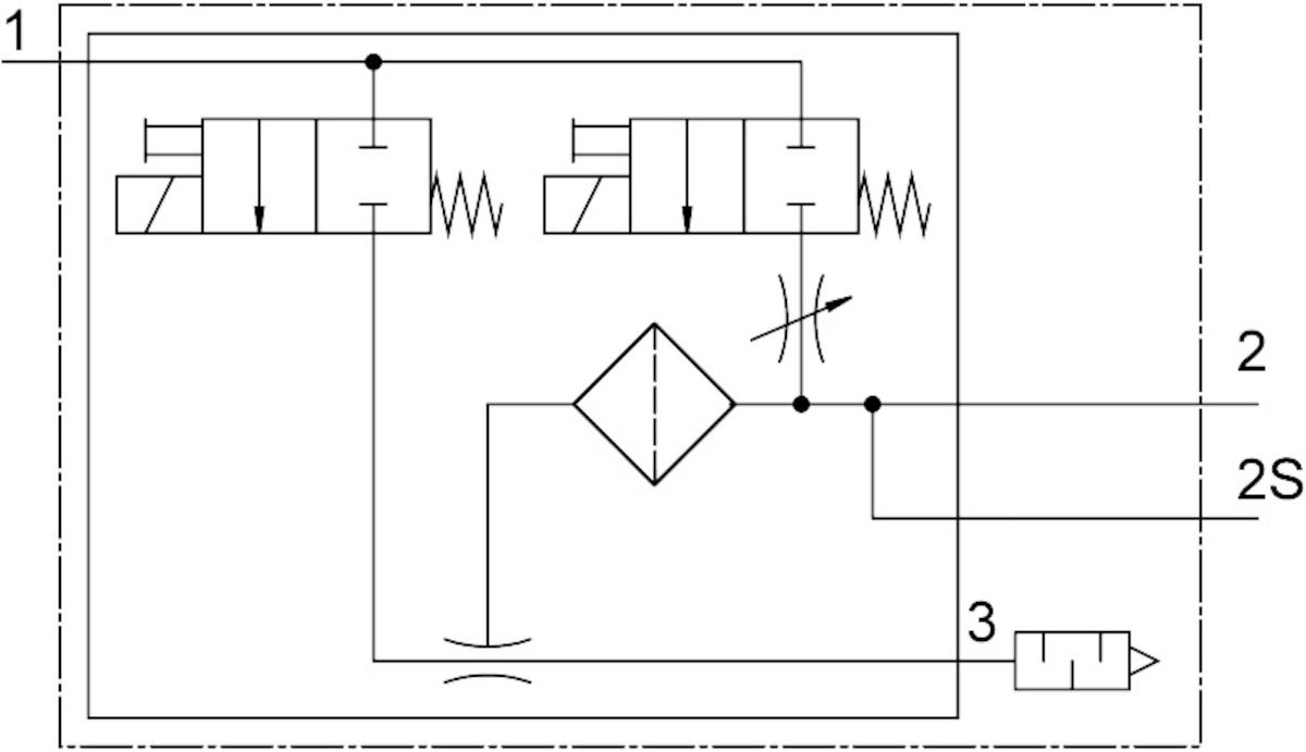
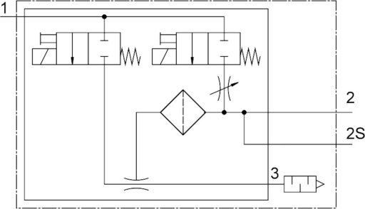
- Pomocnicze sterowanie ręcznebez blokadyZintegrowana funkcjaImpuls wyrzutowy elektrycznyKonstrukcja tłumika hałasuzamkniętyPozycja montażudowolnyCharakterystyka eżektorawysokie podciśnienieDokładność filtracjiod 40 MIMTemperatura otoczeniado 50 GCWaga produktuod 58 GKonstrukcjaKształt TSymbol00995808Funkcja zaworuzamkniętyCiśnienie robocze dla maks. szybkości wysysania/MPAod 0.4 MPACiśnienie robocze dla maks. szybkości wysysania/BARod 4 BARCiśnienie robocze dla maks. szybkości wysysania/PSIod 58 PSICiśnienie robocze/MPAod 0.2 do 0.7 MPACiśnienie robocze/BARod 2 do 7 BARCiśnienie robocze/PSIod 29 do 101.5 PSICiśnienie robocze dla maks. podciśnienia/MPAod 0.41 MPACiśnienie robocze dla maks. podciśnienia/BARod 4.1 BARCiśnienie robocze dla maks. podciśnienia/PSIod 59.45 PSIMaks. podciśnienieod 92 %Nominalne ciśnienie robocze/MPAod 0.4 MPANominalne ciśnienie robocze/BARod 4 BARNominalne ciśnienie robocze/PSIod 58 PSIMaks. szybkość wysysania w odniesieniu do atmosferyod 21 L2Czas zasilania powietrzem przy nominalnym ciśnieniu roboczym przy impulsie wyrzutowymod 1 SZakres napięcia roboczego DCod 21.6 do 26.4 VCzas pracy ciągłej100%Parametry cewki24 V DC: 1,0 WCertyfikacjac UL us - Listed (OL)Znak CE (patrz deklaracja zgodności)Zgodnie z dyrektywą kompatybilności elektromagnetycznej UEMedium roboczeSprężone powietrze wg ISO 8573-1:2010 [7:4:4]Uwaga dotycząca medium roboczego/sterującegoPraca z olejonym powietrzem nie jest możliwaKlasa odporności korozyjnej wg normy Festo2 - średnie obciążenie korozyjneZgodność z LABSVDMA24364-B1/B2-LTemperatura mediumdo 50 GCPoziom ciśnienia akustycznego przy nominalnym ciśnieniu roboczymod 56 DBAStopień ochronyIP40Przyłącze elektryczne, wejście, funkcjaImpuls wyrzutowyPrzyłącze elektryczne, wejście, rodzaj przyłącza2x wtyczkaPrzyłącze elektryczne, wejście, technologia przyłączeniowaUkład przyłączy HPrzyłącze elektryczne, wejście, liczba pinów/żył2Przyłącze elektryczne, wejście, schemat przyłączy00995626Przyłącze elektryczne, wejście, rodzaj mocowaniaBlokada zatrzaskowaTyp mocowaniana listwie przyłączeniowejPrzyłącze pneumatyczne 1Przyłącze zbiorczePrzyłącze pneumatyczne 3Tłumik hałasu zamkniętyPrzyłącze podciśnieniado przewodu o średnicy zewn. 6 mmMateriał śruby drążonejStop aluminium do przeróbki plastycznejMateriał gwintu przyłączeniowegoPolioksymetylenInformacja o materiałachZgodność z dyrektywą RoHSMateriał uszczelnieńNBRMateriał dyszyPolioksymetylenMateriał filtraPolioksymetylenMateriał obudowyWzmocniony poliamidMateriał śruby do regulacjiStalMateriał tłumika hałasuWzmocniony poliamidMateriał śrubStalMateriał dyszy wypływowejStop aluminium do przeróbki plastycznej
Pliki do pobrania:
- Karta Produktu
-
- Brak danych dla tego produktu
Pliki do pobrania:
- Karta Produktu
-
-
Pliki do pobrania:
- Karta Produktu
-
Skontaktuj się z nami wybierając interesujący Cię region



