Tu jesteś:
- VOFA-L26-T32C-M-G14-1C1-ANP Moduł sterownika
VOFA-L26-T32C-M-G14-1C1-ANP Moduł sterownika FESTO-574012
numer katalogowy: FESTO-574012
Ocena średnia: Pneumat System nie weryfikuje treści opinii zamieszczanych na stronie internetowej.
(0 opinii)
- Dane produktu
- Dane podstawowe
- Akcesoria
- Zdjęcia
- Dane produktu
- Dane podstawowe
- Zdjęcia
- Akcesoria
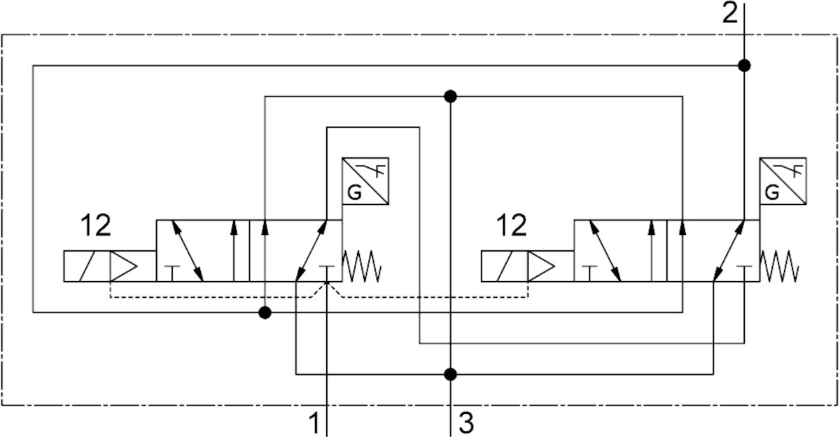
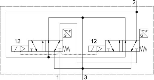
- Funkcja zaworu3/2 zamknięty monostabilnyStopień ochronyIP65Ciśnienie robocze/MPAod 0.3 do 1 MPACiśnienie robocze/BARod 3 do 10 BARKonstrukcjaZawór tłoczkowo-suwakowySposób powrotusprężyna mechanicznaJednostka certyfikującaUL MH19482Funkcja odpowietrzeniaz możliwością dławieniaSposób uszczelnieniamiękkiPomocnicze sterowanie ręcznebrakRodzaj sterowaniasterowanie pilotemPrzyłącze zasilania powietrzem pilotówwew.Kierunek przepływujednokierunkowySymbol00997336Pokrycieprzekrycie dodatnieWskaźnik stanu sygnałuPrzy pomocy osprzętuCzas wyłączaniaod 54 MSCzas włączaniaod 24 MSCzas pracy ciągłej100%Pozycja montażudowolnyCertyfikacjac UL us - Recognized (OL)Spełnia normęEN 60947-5-2Znak KCKC-EMVZnak CE (patrz deklaracja zgodności)Zgodnie z dyrektywą kompatybilności elektromagnetycznej UEZnak UKCA (patrz deklaracja zgodności)wg przepisów UK dot. EMVMaks. dodatni impuls testowy przy sygnale 0od 1000 MISMaks. ujemny impuls testowy na 1 sygnaleod 800 MISWyjście dwustanoweNPNParametry cewki24 V DC: 1,8 WDopuszczalne wahania napięcia-15% / +10%Medium roboczeSprężone powietrze wg ISO 8573-1:2010 [7:4:4]Uwaga dotycząca medium roboczego/sterującegoMożliwa praca z powietrzem olejonym (po rozpoczęciu olejenia trzeba je kontynuować)Odporność na drganiaTest odporności podczas transportu przy drganiach o stopniu intensywności 2 wg FN 942017-4 i EN 60068-2-6Odporność na wstrząsyTest odporności na wstrząsy o stopniu intensywności 2 wg FN 942017-5 i EN 60068-2-27Klasa odporności korozyjnej wg normy Festo0 - Brak obciążenia korozyjnegoZgodność z LABSVDMA24364-B1/B2-LMaks. pole zakłóceń magnetycznych60 mTTemperatura mediumod -5 do 50 GCPoziom ciśnienia akustycznegood 85 DBAOchrona przed bezpośrednim i pośrednim dotykiemPELVMedium sterujące (dla pilotów)Sprężone powietrze wg ISO 8573-1:2010 [7:4:4]Temperatura otoczeniaod -5 do 50 GCZnamionowa wysokość użytkowa1000 m wg VDE 0580Waga produktuod 1134 GZakres napięcia roboczego DC, czujnikod 10 do 30 VZabezpieczenie przed zwarciem, czujnikpulsacyjnaPrąd pracy jałowej, czujnikod 10 MAMaks. prąd wyjściowy czujnikaod 200 MAMaks. częstotliwość przełączania, czujnik5000 HZTętnienie resztkowe, czujnik± 10%Spadek napięcia, czujnikod 2 VPrzyłącze elektryczneKształt CPrzyłącze czujnikaWtyczkaTyp mocowaniaPrzy pomocy otworów przelotowychPrzyłącze pneumatyczne 1G1/4Przyłącze pneumatyczne 2G1/4Przyłącze pneumatyczne 3G1/4Informacja o materiałachZgodność z dyrektywą RoHSMateriał uszczelnieńFPMMateriał obudowyAluminiowy odlew ciśnieniowyMateriał śrubStal, ocynkowanaFunkcja elementu przełączającegoZestyk normalnie zamknięty
Pliki do pobrania:
- Karta Produktu
-
- Brak danych dla tego produktu
Pliki do pobrania:
- Karta Produktu
-
-
Pliki do pobrania:
- Karta Produktu
-
Skontaktuj się z nami wybierając interesujący Cię region



