Tu jesteś:
- SOPA-M1-R1-HQ6-2N-M12 Czujnik powietrzny szczelinowy
SOPA-M1-R1-HQ6-2N-M12 Czujnik powietrzny szczelinowy FESTO-552147
numer katalogowy: FESTO-552147
kategoria: Czujniki szczelinowe powietrzne
Ocena średnia: Pneumat System nie weryfikuje treści opinii zamieszczanych na stronie internetowej.
(0 opinii)
- Dane produktu
- Dane podstawowe
- Akcesoria
- Zdjęcia
- Dane produktu
- Dane podstawowe
- Zdjęcia
- Akcesoria
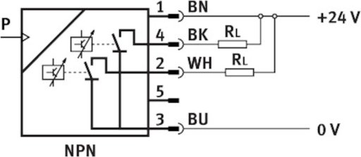
- Symbol00992014CertyfikacjaRCM MarkZnak CE (patrz deklaracja zgodności)Zgodnie z dyrektywą kompatybilności elektromagnetycznej UEZnak UKCA (patrz deklaracja zgodności)wg przepisów UK dot. EMVZnak KCKC-EMVInformacja o materiałachZgodność z dyrektywą RoHSWielkość podlegająca detekcjiOdstępMaks. prąd wyjściowyod 100 MACiśnienie zasilaniaod 0.8 do 1.6 BARMedium roboczeSprężone powietrze wg ISO 8573-1:2010 [7:4:4]Uwaga dotycząca medium roboczego/sterującegoMożliwa praca z powietrzem olejonym (po rozpoczęciu olejenia trzeba je kontynuować)Temperatura otoczeniado 50 GCPowtarzalność w ± µm2.5 MIMWyjście dwustanowe2xNPNFunkcja przełączaniaKomparator okienkowyFunkcja elementu przełączającegoPrzełączany pomiędzy normalnie zamkniętym i normalnie otwartymZabezpieczenie przeciwzwarciowetakZakres napięcia roboczego DCod 15 do 30 VMaks. pobór prąduod 250 MAOchrona przed zmianą polaryzacjido wszystkich przyłączy elektrycznychPrzyłącze elektryczne 1, rodzaj przyłączaWtyczkaPrzyłącze elektryczne 1, technika przyłączeniowaM12x1, kodowanie A wg EN 61076-2-101Przyłącze elektryczne 1, liczba pinów/żyłod 5Przyłącze elektryczne 1, rodzaj mocowaniaBlokowanie śrubąPrzyłącze elektryczne 1, układ połączeń00991172Typ mocowaniaopcjonalnie:Przyłącze pneumatyczneQS-6Waga produktuod 60 GMateriał obudowyAluminium anodowaneRodzaj wskazaniaPodświetlany LCD, wielokolorowyOpcje ustawieńTeach-InZabezpieczenie przed manipulacjąblokada elektronicznaStopień ochronyIP65Klasa odporności korozyjnej wg normy Festo2 - średnie obciążenie korozyjneZgodność z LABSVDMA24364-C1-L
Pliki do pobrania:
- Karta Produktu
-
- Brak danych dla tego produktu
Pliki do pobrania:
- Karta Produktu
-
-
Pliki do pobrania:
- Karta Produktu
-
Skontaktuj się z nami wybierając interesujący Cię region



