Tu jesteś:
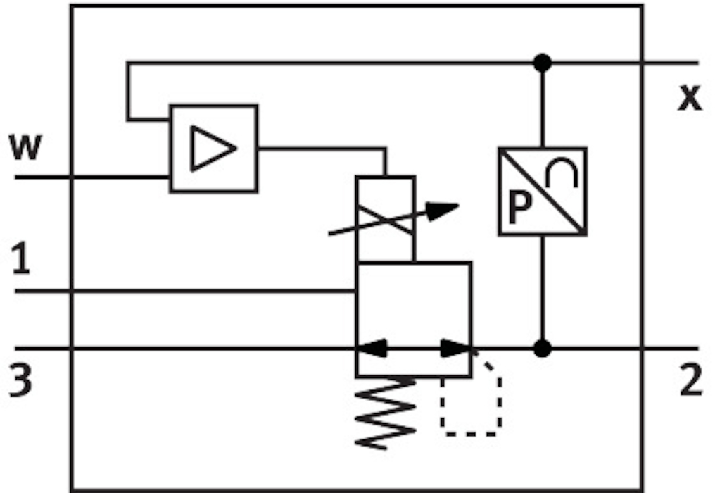
- VPPL-3L-3-G14-0L20H-A4-A-S1-6 Zawór proporcjonalny ciśnienia
VPPL-3L-3-G14-0L20H-A4-A-S1-6 Zawór proporcjonalny ciśnienia FESTO-1635992
numer katalogowy: FESTO-1635992
kategoria: Zawory proporcjonalne
Ocena średnia: Pneumat System nie weryfikuje treści opinii zamieszczanych na stronie internetowej.
(0 opinii)
- Dane produktu
- Dane podstawowe
- Akcesoria
- Zdjęcia
- Dane produktu
- Dane podstawowe
- Zdjęcia
- Akcesoria
- Sposób uszczelnieniamiękkiSposób uruchamianiaelektrycznieZakres wyjściowego sygnału analogowego4 - 20 mAPozycja montażudowolnyKonstrukcjabezpośrednio sterowany regulator tłokowySymbol00991479Sposób powrotusprężyna mechanicznaRodzaj sterowaniabezpośrednieFunkcja zaworu3-drogowy zawór proporcjonalny ciśnienia, zamkniętyZakres regulacji ciśnienia/MPAod 0.02 do 2 MPAZakres regulacji ciśnienia/BARod 0.2 do 20 BARMaks. histereza ciśnienia/MPA0.01 MPAMaks. histereza ciśnienia/BARod 0.1 BARMaks. histereza ciśnienia/PSI1.45 PSICzas pracy ciągłej100%Tętnienia resztkowe10 %Zakres wejściowego sygnału analogowego4 - 20 mAOchrona przed zmianą polaryzacjido wszystkich przyłączy elektrycznychZabezpieczenie przeciwzwarciowenieInstrukcje bezpieczeństwaPołożenie bezpieczeństwa VPPL: W przypadku przerwania kabla zasilającego ciśnienie wyjściowe obniża się do 0 bar.Rodzaj wskazaniaWskaźnik LEDCiśnienie wejściowe 1/BARdo 50 BARCiśnienie wejściowe 1/MPAdo 5 MPANormalny przepływ nominalny (znormalizowany zgodnie z DIN 1343)od 245 L2Normalny przepływ nominalny 2-3od 282 L2Zakres napięcia roboczego DCod 21.6 do 27.6 VMaks. pobór mocy elektrycznej26.7 WMedium roboczeSprężone powietrze wg ISO 8573-1:2010 [7:4:4]Uwaga dotycząca medium roboczego/sterującegoPraca z olejonym powietrzem nie jest możliwaCertyfikacjac UL us - Listed (OL)Znak KCKC-EMVZnak CE (patrz deklaracja zgodności)Zgodnie z dyrektywą kompatybilności elektromagnetycznej UEZnak UKCA (patrz deklaracja zgodności)wg przepisów UK dot. EMVKlasa odporności korozyjnej wg normy Festo2 - średnie obciążenie korozyjneZgodność z LABSVDMA24364-strefa IIITemperatura mediumod 5 do 50 GCStopień ochronyIP65Temperatura otoczeniaod 5 do 50 GCTemperatura przechowywaniaod -10 do 60 GCWaga produktuod 1100 GDokładność całkowita0,5 %FSWspółczynnik temperaturowy0.04 %/KTyp mocowaniaPrzy pomocy otworów przelotowychPrzyłącze pneumatyczne 1G1/4Przyłącze pneumatyczne 2G1/4Przyłącze pneumatyczne 3G1/4Informacja o materiałachZgodność z dyrektywą RoHSMateriał obudowyStop aluminium, anodowany
Pliki do pobrania:
- Karta Produktu
-
- Brak danych dla tego produktu
Pliki do pobrania:
- Karta Produktu
-
-
Pliki do pobrania:
- Karta Produktu
-
Skontaktuj się z nami wybierając interesujący Cię region



