Tu jesteś:
- VADM-140-N Generator podciśnienia
Ocena średnia: Pneumat System nie weryfikuje treści opinii zamieszczanych na stronie internetowej.
(0 opinii)
- Dane produktu
- Dane podstawowe
- Akcesoria
- Zdjęcia
- Dane produktu
- Dane podstawowe
- Zdjęcia
- Akcesoria
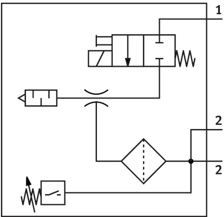
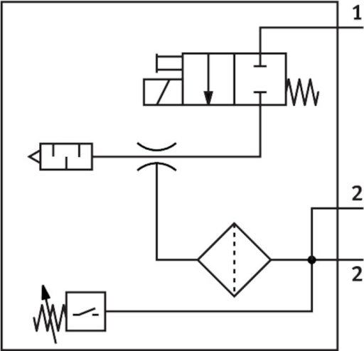
- Pomocnicze sterowanie ręcznebez blokadyZintegrowana funkcjaZawór załączający, elektrycznyKonstrukcja tłumika hałasuzamkniętyPozycja montażudowolnyCharakterystyka eżektorawysokie podciśnienieDokładność filtracjiod 40 MIMTemperatura otoczeniado 50 GCWaga produktuod 300 GFunkcja elementu przełączającegoNormalnie otwartyFunkcja przełączaniaKomparator wartości progowejSymbol00991304Funkcja zaworuzamkniętyRodzaj wskazaniaLEDOpcje ustawieńPotencjometrCiśnienie robocze/MPAod 0.2 do 0.8 MPACiśnienie robocze/BARod 2 do 8 BARCiśnienie robocze/PSIod 29 do 116 PSIMaks. podciśnienieod 85 %Nominalne ciśnienie robocze/MPAod 0.6 MPANominalne ciśnienie robocze/BARod 6 BARNominalne ciśnienie robocze/PSIod 87 PSIZakres napięcia roboczego DCod 21.6 do 26.4 VCzas pracy ciągłej100%Wyjście dwustanoweNPNCertyfikacjaRCM MarkZnak CE (patrz deklaracja zgodności)Zgodnie z dyrektywą kompatybilności elektromagnetycznej UEMedium roboczeSprężone powietrze wg ISO 8573-1:2010 [7:4:4]Uwaga dotycząca medium roboczego/sterującegoPraca z olejonym powietrzem nie jest możliwaKlasa odporności korozyjnej wg normy Festo2 - średnie obciążenie korozyjneZgodność z LABSVDMA24364-B1/B2-LTemperatura mediumdo 60 GCStopień ochronyIP65Zakres pomiaru ciśnienia/MPAdo 0.1 MPAZakres pomiaru ciśnienia/BARdo 1 BARZakres pomiaru ciśnienia/PSIdo 14.5 PSITyp mocowaniaopcjonalnie:Przyłącze pneumatyczne 1G1/8Przyłącze pneumatyczne 3Tłumik hałasu, zintegrowanyPrzyłącze podciśnieniaG1/4Informacja o materiałachZgodność z dyrektywą RoHSMateriał uszczelnieńNBRMateriał dyszyMosiądz niklowanyMateriał filtraPAMateriał obudowyStop aluminium do przeróbki plastycznejMateriał tłumika hałasuPolietylenMateriał dyszy wypływowejMosiądz niklowany
Pliki do pobrania:
- Karta Produktu
-
- Brak danych dla tego produktu
Pliki do pobrania:
- Karta Produktu
-
-
Pliki do pobrania:
- Karta Produktu
-
Skontaktuj się z nami wybierając interesujący Cię region



