- Technologia kosmiczna - zawory bezpieczeństwa w produkcji rakiet
Zawory do zbiorników paliwowych, etanolu, ciekłego tlenu LOX
W 1962 roku założona została najstarsza filia WARR, Naukowej Grupy Badawczej ds. Rakiet i Astronautyki na Politechnice Monachium. Niezależnie od tego, czy chodzi o lotnictwo, inżynierię mechaniczną, ekonomię czy administrację biznesową – dzięki projektowi „Nixus” studenci WARR Rocketry przyspieszają prace nad sondującą rakietą napędzaną ciekłym paliwem. Zespół Nixusa w WARR Rocketry polega na zaworach bezpieczeństwa firmy GOETZE w napędzie rakietowym i układzie płynów stanowiska testowego.
Zawory bezpieczeństwa GOETZE - niezawodni partnerzy w przemyśle lotniczym
Kompaktowe, ale mocne zawory bezpieczeństwa odgrywają decydującą rolę w zabezpieczeniu układu płynów rakiety sondującej „Nixus”. Nasze zawory zapewniają bezpieczeństwo i funkcjonalność zarówno stanowiska badawczego, jak i rakiety „Ex-4” przy zastosowaniu paliwa ciekłego.

Bezpieczeństwo i wydajność w testowaniu silników
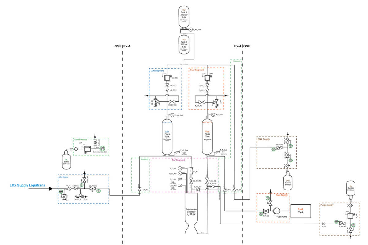
Zespół ds. sprzętu do obsługi naziemnej (zespół GSE) jest częścią projektu i pracuje nad projektowaniem, rozwojem i produkcją infrastruktury naziemnej potrzebnej do testowania poszczególnych komponentów. Jednym z kamieni milowych było opracowanie stanowiska badawczego silników, na którym można testować zarówno mniejszą, chłodzoną pojemnościowo, jak i chłodzoną regeneracyjnie komorę spalania w mieście Garching. Ze względu na złożony charakter rakiety na paliwo ciekłe pojawiają się wyzwania zarówno w zakresie konstrukcji, jak i układu płynowego stanowiska testowego. Zespół GSE używa zaworów bezpieczeństwa GOETZE do zabezpieczenia tego stanowiska testowego.
Skoncentruj się na paliwie płynnym i zaworach bezpieczeństwa
Silniki opracowywane obecnie przez zespół wykorzystują etanol paliwowy i ciekły tlen utleniający (LOX), które są doprowadzane do silnika poprzez układ płynów stanowiska testowego. Zawory bezpieczeństwa serii 492 chronią różne segmenty układu płynów, takie jak zbiorniki etanolu i ciekłego tlenu (LOX). Konstrukcja GOX serii 492 wynika tutaj z zastosowania ciekłego tlenu, z którym zawór nie ma kontaktu, ale z którym powstaje atmosfera tlenowa w wyniku odparowania LOX nad zbiornikiem.

Paliwo etanolowe jest kierowane obok zewnętrznej ściany komory spalania w celu regeneracyjnego chłodzenia. Zbiornik etanolu musi być pod ciśnieniem wyższym, aby można było skompensować powstałą utratę ciśnienia i aby etanol i tlen mogły być wtryskiwane do komory spalania pod tym samym ciśnieniem. Seria 492 z ciśnieniem otwarcia 130 barów jest tutaj odpowiednim wyborem.

Zawór bezpieczeństwa ze stali nierdzewnej serii 2400 służy do ochrony układu tankowania LOX. Chroni ważne części, takie jak wąż próżniowy, przed nadmiernym ciśnieniem.
Rakieta Ex-4 na „European Rocketry Challenge”


Równolegle do testów na ukończonym stanowisku testowym i w oparciu o wyniki serii testów, zespół WARR zbudował również rakietę „Ex-4” na potrzeby udziału w European Rocketry Challenge 2023 w Portugalii. Tutaj zespół ds. płynów wziął na siebie odpowiedzialność za zaprojektowanie i wymiarowanie układu płynów, który zapewnia pompowanie paliwa ze zbiorników do komory spalania.
Koncepcja i realizacja układu płynów
Zawory bezpieczeństwa GOETZE zostały ponownie wykorzystane do ochrony krytycznych dla bezpieczeństwa elementów rakiety. W porównaniu z zastosowaniem testowym, zawory użyte tutaj spełniają tę samą funkcję, co na stanowisku testowym, ale zastosowanie w rakiecie stawia większe wymagania zaworom bezpieczeństwa. Aby zmaksymalizować wysokość lotu, na przykład, należy zminimalizować masę i objętość. Dzięki kompaktowej konstrukcji zawory GOETZE mieszczą się w granicach wymagań. Oznacza to, że Centrum Badań Naukowych nad Rakietami i Astronautyką (WARR) na Uniwersytecie Technicznym w Monachium jest idealnie wyposażone do udanego startu podczas kolejnego wyzwania, gdy motto brzmi: t-minus 5 – 4 – 3 – 2 – 1 – 0 – zapłon i wznoszenie.


Autor:
Magdalena Skotnica
Doradca ds.
techniczno-handlowych
Pneumat.

Autor:
Magdalena Skotnica
Doradca ds.
techniczno-handlowych
Pneumat.
Zapisz się do newslettera i zyskaj dostęp do największej pneumatycznej bazy wiedzy!
Zyskaj dostęp do najnowszych artykułów, informacji o nadchodzących targach, wydarzeniach i mobilnych szkoleniach oraz promocjach w naszym sklepie internetowym!