Tu jesteś:
- Złączka wtykowa prosta, gwint zewnętrzny cylindryczny G, seria 50000, ciśnienie 20bar, mosiądz niklowany / technopolimer, o-ring NBR
-
-
Flowmatik
-
Napędy pneumatyczne
-
Sprężyny gazowe i amortyzatory przemysłowe
-
Zawory i elektrozawory pneumatyczne
-
Zawory elektromagnetyczne membranowe
-
Łączniki przewodów i rur
-
Armatura gwintowana
-
Szybkozłącza, złącza do węży
-
Armatura przemysłowa ze stali nierdzewnej
-
Przygotowanie powietrza - bloki, reduktory, filtry
-
Zawory kulowe - Armatura Przemysłowa
-
Węże pneumatyczne, węże przemysłowe
-
Festo
- SMC
-
Technika pomiarowa
-
Technika próżniowa
-
Próżnia przemysłowa
-
Kleje, Smary, Spraye
-
Kompresory
-
Osuszacze, uzdatnianie powietrza
-
Zawory bezpieczeństwa
-
Zbiorniki ciśnieniowe
-
Instalacje pneumatyczne
-
Narzędzia pneumatyczne
-
Technika lakiernicza
-
Pompy przemysłowe
-
Urządzenia pomiarowe
-
Bezpieczna pneumatyka
-
Hydraulika siłowa
-
Nowości w ofercie
- Wyprzedaż
-
Złączka wtykowa prosta, gwint zewnętrzny cylindryczny G, seria 50000, ciśnienie 20bar, mosiądz niklowany / technopolimer, o-ring NBR
| Materiał | Mosiądz niklowany / technopolimer |
| Uwagi | W przypadku braku produktu w magazynie minimalna ilość zamówienia wynosi 10 sztuk |
| Uszczelka | NBR 70 |
| Materiał pierścienia zaciskowego | Stal nierdzewna AISI 304 |
| Medium | Sprężone powietrze, próżnia |
| Ciśnienie robocze | -0,99 do +20 bar |
| Temperatura robocza | -20°C do +80°C |
| Pierścień zabezpieczający | Technopolimer |
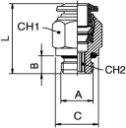
| Gwint | M3 - GZ3/8 |
| Pod wąż | 4 - 16 |
| B | 3 - 9,6 |
| C | 10 - 25 |
| L | 21 - 37 |
| CH1 | 8 - 25 |
| CH2 | 0 - 12 |
0/5 0
ekspresowe dostawy
wygodne płatności
zakupy 24h
gwarancja jakości
- Warianty produktu
- Akcesoria
- Opinie
- Pliki do pobrania
Warianty produktu
Filtry
Nr katalogowy
Gwint
Pod wąż
Złączka pneumatyczna wtykowa prosta do węża fi 4 mm, G 1/8 GZ, mosiądz niklowany
GZ1/8
4
Złączka pneumatyczna wtykowa prosta do węża fi 4 mm, G 1/4 GZ, mosiądz niklowany
GZ1/4
4
Złączka pneumatyczna wtykowa prosta do węża fi 5 mm, G 1/8 GZ, mosiądz niklowany
GZ1/8
5
Złączka pneumatyczna wtykowa prosta do węża fi 5 mm, G 1/4 GZ, mosiądz niklowany
GZ1/4
5
Złączka pneumatyczna wtykowa prosta do węża fi 6 mm, M10x1 GZ, mosiądz niklowany
M10x1
6
Złączka pneumatyczna wtykowa prosta do węża fi 6 mm, G 1/8 GZ, mosiądz niklowany
GZ1/8
6
Złączka pneumatyczna wtykowa prosta do węża fi 6 mm, G 1/4 GZ, mosiądz niklowany
GZ1/4
6
Złączka pneumatyczna wtykowa prosta do węża fi 6 mm, G 3/8 GZ, mosiądz niklowany
GZ3/8
6
Złączka pneumatyczna wtykowa prosta do węża fi 6 mm, G 1/2 GZ, mosiądz niklowany
GZ1/2
6
Złączka pneumatyczna wtykowa prosta do węża fi 6 mm, M12x1 GZ, mosiądz niklowany
M12x1
6
Złączka pneumatyczna wtykowa prosta do węża fi 6 mm, M12x1,25 GZ, mosiądz niklowany
M12x1,25
6
Złączka pneumatyczna wtykowa prosta do węża fi 6 mm, M12x1,5 GZ, mosiądz niklowany
M12x1,5
6
Złączka pneumatyczna wtykowa prosta do węża fi 8 mm, G 1/8 GZ, mosiądz niklowany
GZ1/8
8
Złączka pneumatyczna wtykowa prosta do węża fi 8 mm, G 1/4 GZ, mosiądz niklowany
GZ1/4
8
Złączka pneumatyczna wtykowa prosta do węża fi 8 mm, G 3/8 GZ, mosiądz niklowany
GZ3/8
8
Złączka pneumatyczna wtykowa prosta do węża fi 8 mm, G 1/2 GZ, mosiądz niklowany
GZ1/2
8
Złączka pneumatyczna wtykowa prosta do węża fi 8 mm, M10x1 GZ, mosiądz niklowany
M10x1
8
Akcesoria
Opinie
Ten produkt nie ma jeszcze opinii
Pliki do pobrania
Ten produkt nie posiada plików do pobrania

Promocja!
987-4202
Złączka pneumatyczna wtykowa kątowa M3 GZ do węża fi 4 mm, FPM, stal nierdzewna, Eisele
FQSRL 144
Złączka wtykowa kątowa łożyskowana R 1/4 GZ do węża fi 4 mm, prędkość 500 obr/min
FQSR 388
Złączka pneumatyczna wtykowa prosta łożyskowana R 3/8 GZ do węża fi 8 mm, prędkość 400 obr/min
178-0406
Złączka skręcana do węży z oplotem stalowym fi 9x6 mm,G 1/4 GZ, aluminium anodyzowane
VT1487-4804CNI
Złącze wtykowe okrągłe 2 uszczelki FPM Viton kątowa obrotowa M7 GZ do węża fi 6 mm (6/4 mm)
962-0406
Złączka pneumatyczna wtykowa prosta G 1/4 GZ do węża fi 8 mm, FPM, stal nierdzewna, Eisele
178-0609
Złączka skręcana do węży z oplotem stalowym fi 12x9 mm,G 3/8 GZ, aluminium anodyzowane
57060 14
Złączka pneumatyczna wtykowa grodziowa kątowa M23x1 do węża fi 14 mm, mosiądz niklowany
675-0806
Trójnik pneumatyczny redukcyjny wtykowy typu Y do węża z fi 10 mm na 2x 8 mm
675-0908
Trójnik pneumatyczny redukcyjny wtykowy typu Y do węża z fi 12 mm na 2x 10 mm
928-0808
Złączka pneumatyczna wtykowa prosta G 1/2 GZ do węża fi 10 mm, FPM, stal nierdzewna, Eisele
127.012-8
Złączka wtykowa kątowa obrotowa przedłużona G 1/2 GZ do węża fi 8 mm, tworzywo sztuczne

Opiekunem kategorii jest:
Agnieszka Skomorowska
Product Manager
E-mail: armaturazlaczna@pneumat.com.pl
Biogram
Absolwentka Politechniki Wrocławskiej. W firmie Pneumat. od 2019 roku doradza Klientom w zakresie doboru złączy do węży i armatury gwintowanej. Prywatnie miłośniczka "domowej" florystyki i gier planszowych.

Opiekunem kategorii jest:
Agnieszka Skomorowska
Product Manager
E-mail: armaturazlaczna@pneumat.com.pl
Biogram
Absolwentka Politechniki Wrocławskiej. W firmie Pneumat. od 2019 roku doradza Klientom w zakresie doboru złączy do węży i armatury gwintowanej. Prywatnie miłośniczka "domowej" florystyki i gier planszowych.
Skontaktuj się z nami wybierając interesujący Cię region
Korzyści zakupów
Darmowa przesyłka od 500 zł
2% zniżki na nocne zakupy
Odbiór zamówień już na drugi dzień
Produkcja siłowników w 24h
Wygodne metody płatności



