Tu jesteś:
- Złączka wtykowa prosta grodziowa, gwint wewnętrzny cylindryczny G, Eisele, ciśnienie 24 bar, mosiądz niklowany
-
-
Flowmatik
-
Napędy pneumatyczne
-
Sprężyny gazowe i amortyzatory przemysłowe
-
Zawory i elektrozawory pneumatyczne
-
Zawory elektromagnetyczne membranowe
-
Łączniki przewodów i rur
-
Armatura gwintowana
-
Szybkozłącza, złącza do węży
-
Armatura przemysłowa ze stali nierdzewnej
-
Przygotowanie powietrza - bloki, reduktory, filtry
-
Zawory kulowe - Armatura Przemysłowa
-
Węże pneumatyczne, węże przemysłowe
-
Festo
- SMC
-
Technika pomiarowa
-
Technika próżniowa
-
Próżnia przemysłowa
-
Kleje, Smary, Spraye
-
Kompresory
-
Osuszacze, uzdatnianie powietrza
-
Zawory bezpieczeństwa
-
Zbiorniki ciśnieniowe
-
Instalacje pneumatyczne
-
Narzędzia pneumatyczne
-
Technika lakiernicza
-
Pompy przemysłowe
-
Urządzenia pomiarowe
-
Bezpieczna pneumatyka
-
Hydraulika siłowa
-
Nowości w ofercie
- Wyprzedaż
-
Złączka wtykowa prosta grodziowa, gwint wewnętrzny cylindryczny G, Eisele, ciśnienie 24 bar, mosiądz niklowany
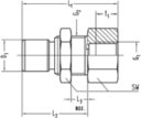
| Uwagi | W przypadku braku produktu w magazynie minimalna ilość zamówienia wynosi 10 sztuk |
| Uszczelka | FPM (Viton) |
| Opakowanie | 10 szt. |
| Ciśnienie robocze | -0.95 do 24 bar |
| Temperatura robocza | -20 do +120 °C |
| Materiał wykonania | Mosiądz chemicznie niklowany |
| Gwint | GW1/8 - GW1/4 |
| Pod wąż | 4 - 12 |
| G2 | M12x1 - M22x1 |
| dla węża | 4 mm (4/2) - 12 mm (12/9) |
| L1 | 29 - 44,5 |
| L2 | 18,5 - 34,5 |
| L3 | max, 6 - max, 12 |
| D1 | 8,8 - 20,1 |
| SW | 14 - 27 |
| NW | 2 - 9 |
| t1 | 8 - 10 |
| g/ sztukę | 20 - 113 |
0/5 0
ekspresowe dostawy
wygodne płatności
zakupy 24h
gwarancja jakości
- Warianty produktu
- Akcesoria
- Opinie
- Pliki do pobrania
Warianty produktu
Filtry
Nr katalogowy
Gwint
Pod wąż
Złącze wtykowe grodziowe 2 uszczelki FPM Viton G 1/8 GW do węża fi 4 mm, M12x1
GW1/8
4
Złącze wtykowe grodziowe 2 uszczelki FPM Viton G 1/8 GW do węża fi 6 mm, M14x1
GW1/8
6
Złącze wtykowe grodziowe 2 uszczelki FPM Viton G 1/8 GW do węża fi 8 mm, M16x1
GW1/8
8
Złącze wtykowe grodziowe 2 uszczelki FPM Viton G 1/4 GW do węża fi 4 mm, M12x1
GW1/4
4
Złącze wtykowe grodziowe 2 uszczelki FPM Viton G 1/4 GW do węża fi 6 mm, M14x1
GW1/4
6
Złącze wtykowe grodziowe 2 uszczelki FPM Viton G 1/4 GW do węża fi 8 mm, M16x1
GW1/4
8
Złącze wtykowe grodziowe 2 uszczelki FPM Viton G 1/4 GW do węża fi 10 mm, M18x1
GW1/4
10
Złącze wtykowe grodziowe 2 uszczelki FPM Viton G 1/4 GW do węża fi 12 mm, M22x1
GW1/4
12
Akcesoria
Opinie
Ten produkt nie ma jeszcze opinii
Pliki do pobrania
Ten produkt nie posiada plików do pobrania
Promocja!
987-4202
Złączka pneumatyczna wtykowa kątowa M3 GZ do węża fi 4 mm, FPM, stal nierdzewna, Eisele
FQSRL 144
Złączka wtykowa kątowa łożyskowana R 1/4 GZ do węża fi 4 mm, prędkość 500 obr/min
FQSR 388
Złączka pneumatyczna wtykowa prosta łożyskowana R 3/8 GZ do węża fi 8 mm, prędkość 400 obr/min
178-0406
Złączka skręcana do węży z oplotem stalowym fi 9x6 mm,G 1/4 GZ, aluminium anodyzowane
VT1487-4804CNI
Złącze wtykowe okrągłe 2 uszczelki FPM Viton kątowa obrotowa M7 GZ do węża fi 6 mm (6/4 mm)
962-0406
Złączka pneumatyczna wtykowa prosta G 1/4 GZ do węża fi 8 mm, FPM, stal nierdzewna, Eisele
178-0609
Złączka skręcana do węży z oplotem stalowym fi 12x9 mm,G 3/8 GZ, aluminium anodyzowane
57060 14
Złączka pneumatyczna wtykowa grodziowa kątowa M23x1 do węża fi 14 mm, mosiądz niklowany
675-0806
Trójnik pneumatyczny redukcyjny wtykowy typu Y do węża z fi 10 mm na 2x 8 mm
675-0908
Trójnik pneumatyczny redukcyjny wtykowy typu Y do węża z fi 12 mm na 2x 10 mm
928-0808
Złączka pneumatyczna wtykowa prosta G 1/2 GZ do węża fi 10 mm, FPM, stal nierdzewna, Eisele
127.012-8
Złączka wtykowa kątowa obrotowa przedłużona G 1/2 GZ do węża fi 8 mm, tworzywo sztuczne

Opiekunem kategorii jest:
Agnieszka Skomorowska
Product Manager
E-mail: armaturazlaczna@pneumat.com.pl
Biogram
Absolwentka Politechniki Wrocławskiej. W firmie Pneumat. od 2019 roku doradza Klientom w zakresie doboru złączy do węży i armatury gwintowanej. Prywatnie miłośniczka "domowej" florystyki i gier planszowych.

Opiekunem kategorii jest:
Agnieszka Skomorowska
Product Manager
E-mail: armaturazlaczna@pneumat.com.pl
Biogram
Absolwentka Politechniki Wrocławskiej. W firmie Pneumat. od 2019 roku doradza Klientom w zakresie doboru złączy do węży i armatury gwintowanej. Prywatnie miłośniczka "domowej" florystyki i gier planszowych.
Skontaktuj się z nami wybierając interesujący Cię region
Korzyści zakupów
Darmowa przesyłka od 500 zł
2% zniżki na nocne zakupy
Odbiór zamówień już na drugi dzień
Produkcja siłowników w 24h
Wygodne metody płatności



