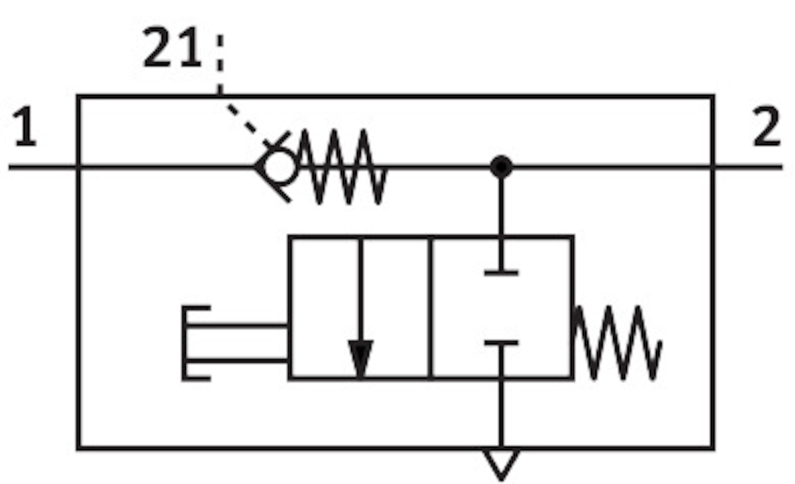
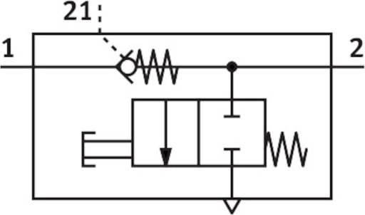
Zawory zwrotne sterowane VBNF
| Klasa odporności korozyjnej wg normy Festo | 2 - średnie obciążenie korozyjne |
| Ciśnienie robocze/MPA | od 0.02 do 1 MPA |
| Ciśnienie robocze/BAR | od 0.2 do 10 BAR |
| Medium robocze | Sprężone powietrze wg ISO 8573-1:2010 [7:4:4] |
| Uwaga dotycząca medium roboczego/sterującego | Możliwa praca z powietrzem olejonym (po rozpoczęciu olejenia trzeba je kontynuować) |
| Temperatura medium | od -10 do 60 GC |
| Temperatura otoczenia | od -10 do 60 GC |
| Materiał uszczelnień | NBR |
| Zgodność z LABS | VDMA24364-B1/B2-L |
| Informacja o materiałach | Zgodność z dyrektywą RoHS |
| Waga produktu | od 65.6 - od 27.9 G |



