Zawory znormalizowane VSVA z centralnym przyłącze
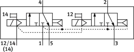
| Funkcja zaworu | 2x3/2 zamknięty monostabilny - 5/3 zasilony |
| Stopień ochrony | IP65 |
| Ciśnienie robocze/MPA | od 0.3 do 1 - od -0.09 do 1.6 MPA |
| Ciśnienie robocze/BAR | od 3 do 10 - od -0.9 do 16 BAR |
| Konstrukcja | Zawór tłoczkowo-suwakowy |
| Funkcja odpowietrzenia | z możliwością dławienia |
| Sposób uszczelnienia | miękki |
| Pomocnicze sterowanie ręczne | bez blokady - z blokadą |
| Rodzaj sterowania | sterowanie pilotem |
| Przyłącze zasilania powietrzem pilotów | zewn. |
| Kierunek przepływu | jednokierunkowy - dowolny |
| Symbol | 00991753 - 00991817 |
| Pokrycie | przekrycie dodatnie |
| Wskaźnik stanu sygnału | LED |
| Przepływ zaworu | 1250 - 3600 L2 |
| Przepływ zaworu na pojedynczej płycie przyłączeniowej | od 1000 - od 2300 L2 |
| Przepływ zaworu, zabudowanego na bloku pneumatycznym | od 900 - od 2700 L2 |
| Czas pracy ciągłej | 100% |
| Pozycja montażu | dowolny |
| Certyfikacja | RCM Mark - C-Tick |



