Zawory pneumatyczne - program dodatkowy
| Ciśnienie robocze | 0 - 10 bar |
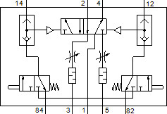
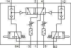
| Funkcja zaworu | 5/2 bistabilny - 5/4 zamknięty |
| Przyłącze pneumatyczne 1 | G1/4 |
| Przyłącze pneumatyczne 2 | G1/4 |
| Przyłącze pneumatyczne 3 | G1/4 |
| Przyłącze pneumatyczne 4 | G1/4 |
| Przyłącze pneumatyczne 5 | G1/4 |
| Temperatura otoczenia | -10 - 60 °C |
| Waga produktu | od 770 - od 800 g |



