Tu jesteś:
- Zawory odcinające HE
-
-
Flowmatik
-
Napędy pneumatyczne
-
Sprężyny gazowe i amortyzatory przemysłowe
-
Zawory i elektrozawory pneumatyczne
-
Zawory elektromagnetyczne membranowe
-
Łączniki przewodów i rur
-
Armatura gwintowana
-
Szybkozłącza, złącza do węży
-
Armatura przemysłowa ze stali nierdzewnej
-
Przygotowanie powietrza - bloki, reduktory, filtry
-
Zawory kulowe - Armatura Przemysłowa
-
Węże pneumatyczne, węże przemysłowe
-
Festo
- SMC
-
Technika pomiarowa
-
Technika próżniowa
-
Próżnia przemysłowa
-
Kleje, Smary, Spraye
-
Kompresory
-
Osuszacze, uzdatnianie powietrza
-
Zawory bezpieczeństwa
-
Zbiorniki ciśnieniowe
-
Instalacje pneumatyczne
-
Narzędzia pneumatyczne
-
Technika lakiernicza
-
Pompy przemysłowe
-
Urządzenia pomiarowe
-
Bezpieczna pneumatyka
-
Hydraulika siłowa
-
Nowości w ofercie
- Wyprzedaż
-
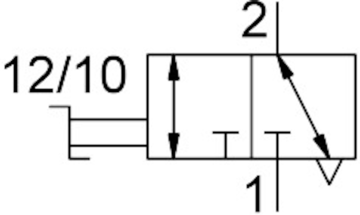
| Sposób uruchamiania | ręczne |
| Pozycja montażu | dowolny |
| Sposób uszczelnienia | miękki |
| Typ mocowania | opcjonalnie: |
| Funkcja zaworu | 3/2 bistabilny |
| Kierunek przepływu | jednokierunkowy |
| Symbol | 00997329 |
| Temperatura medium | do 60 GC |
| Informacja o materiałach | Zgodność z dyrektywą RoHS |
| Zgodność z LABS | VDMA24364-B1/B2-L |
| Materiał obudowy | Wzmocniony PBT |
| Materiał uszczelnień | NBR |
| Waga produktu | od 35 - od 58 G |
| Klasa odporności korozyjnej wg normy Festo | 2 - średnie obciążenie korozyjne |
0/5 0
ekspresowe dostawy
wygodne płatności
zakupy 24h
gwarancja jakości
- Warianty produktu
- Akcesoria
- Opinie
- Pliki do pobrania
Warianty produktu
Akcesoria
Opinie
Ten produkt nie ma jeszcze opinii
Pliki do pobrania
Ten produkt nie posiada plików do pobrania
Skontaktuj się z nami wybierając interesujący Cię region
Korzyści zakupów
Darmowa przesyłka od 500 zł
2% zniżki na nocne zakupy
Odbiór zamówień już na drugi dzień
Produkcja siłowników w 24h
Wygodne metody płatności



