Zawór kulowy gwintowany mosiądz ASTER PN40 PTFE wew/zew 1/4"-2 1/2"
| Materiał korpusu | mosiądz niklowany (Pb ≤ 2,2 % DIN 50930T6) |
| Materiał kuli | mosiądz niklowany (Pb ≤ 2,2 % DIN 50930T6) |
| Materiał rączki | stop aluminium |
| Uszczelnienie kuli | teflon |
| Uszczelnienia | NBR/EPDM |
| Ciśnienie robocze | max. 40 bar |
| Temperatura pracy | od -15 do +90 °C |
| Zastosowanie | instalacje pneumatyczne, systemy ogrzewania, wodociągi, rolnictwo, gazy neutralne |
| DN | 10 - 50 |
| Gwint | GW/GZ3/8 - GW/GZ2 |
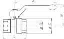
| D | 10 - 50 |
| A | 85 - 165 |
| B | 42 - 92 |
| C | 23 - 87 |
| L | 53 - 122 |
| Kv | 8 - 243 l/min |




