Zawór kulowy gwintowany Ghilux 6405 mosiądz niklowany FKM PN20 wew/wew równoległy 1/8"-3/4"
| Materiał korpusu | mosiądz niklowany |
| Materiał kuli | mosiądz niklowany |
| Materiał rączki | tworzywo sztuczne (PA66) |
| Uszczelnienie kuli | teflon (PTFE) |
| Uszczelnienia | FKM |
| Ciśnienie robocze | max. 20 bar |
| Temperatura pracy | od -15 do +130 °C |
| Medium | sprężone powietrze, woda, olej, próżnia |
| Gwint | GW1/8 - GW3/4 |
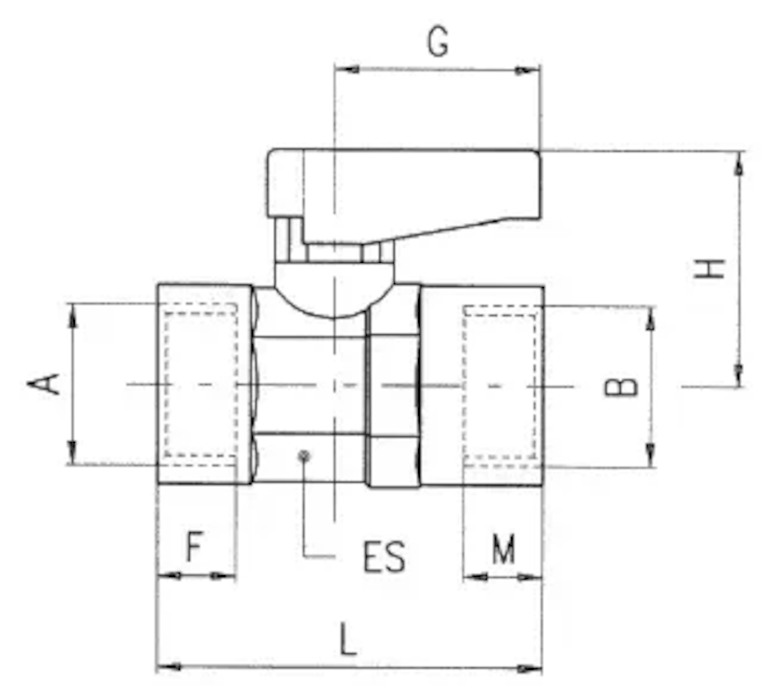
| A | 1/8 - 3/4 |
| B | 1/8 - 3/4 |
| DN | 6 - 14 |
| ES | 14-15 - 28-30 |
| F | 7 - 12 |
| M | 7 - 12 |
| L | 35 - 58 |
| G | 19 - 50 |
| H | 21 - 33 |




