Tu jesteś:
- Zaciski pneumatyczne CPR40
Zaciski pneumatyczne CPR40
- Info
- Bestsellery
| Max. siła mocowania zacisku (5bar): | 130 Nm |
| Moment mocowania: | 200 Nm |
| Ciężar: | ~2,2Kg |
| Max. ciśnienie pracy | 8 bar |
| Max. kąt otwarcia: | 105/120˚ |
- możliwość zamocowania Clampy z boku lub od strony siłownika
- łatwa regulacja kątu otwarcia
- możliwość obrotu siłownika o 180˚
- standardowe ramiona clampy. Możliwość zamiany clampy „V” na Clampe „O” i vice-versa
- 3 różne typy ramion clampy (standardowe lub „G”)
- 3 różne typy trzpieni mocujących ramię typu „G” (wahliwa lub szesciokątna główka)
- czujnik indukcyjny kąta otwarcia
- wszystkie elementy znajdujące się wewnątrz Clampy poddawane są obróbce termicznej

| Typ | Max. siła mocowania przy obciążeniu (5Bar) | Max. moment mocowania (5bar) |
| CPR40 | 1,5 Nm | 130Nm |
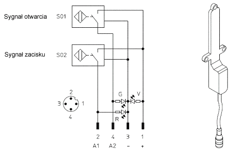
Charakterystyka techniczna czujnika indukcyjnego
| Napięcie pracy: | 10-30 VDC |
| Max. prąd przełączenia: | 150 mA |
| Prąd zasilający | ≤20mA |
| Spadek napięcia: | ≤ 1,8V |
| Zakres temperatur: | -25°C do + 70°C |
Schemat podłączenia czujnika indukcyjnego

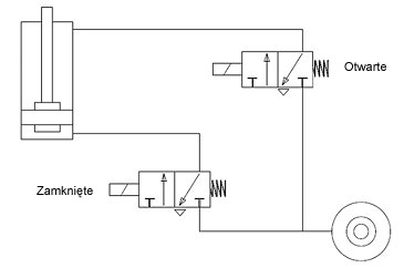
Schemat sterowania pneumatycznego siłownika zacisku

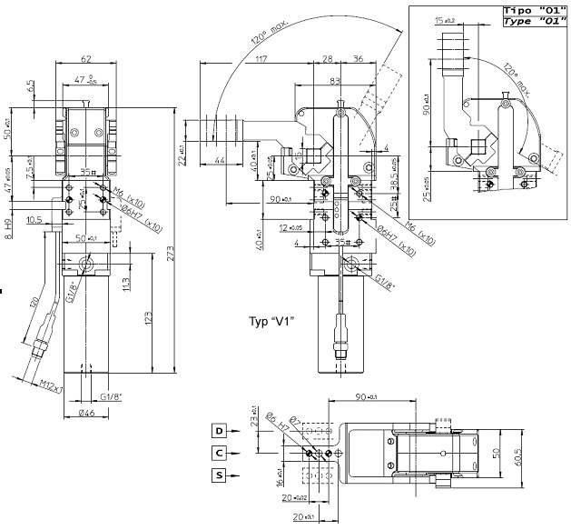
Ramiona typu "V1" i "O1" zacisku pneumatycznego CPR40

Możliwa jest zmiana ramienia zacisku typu „O1” w ramię „V1” i vice-versa. Standardowy kąt otwarcia to 120˚, mniejszy kąt otwarcia może być ustawiony w odstępach co 15˚.
| Typ | Średnica siłownika | Max. siła mocowania zacisku (5bar) | Ciężar | Moment mocowania | Max. ciśnienie pracy |
| C40… | 40 mm | 130 Nm | ~2 Kg | 380 Nm | 8 bar |
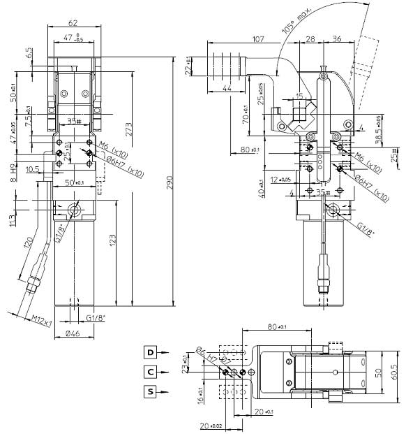
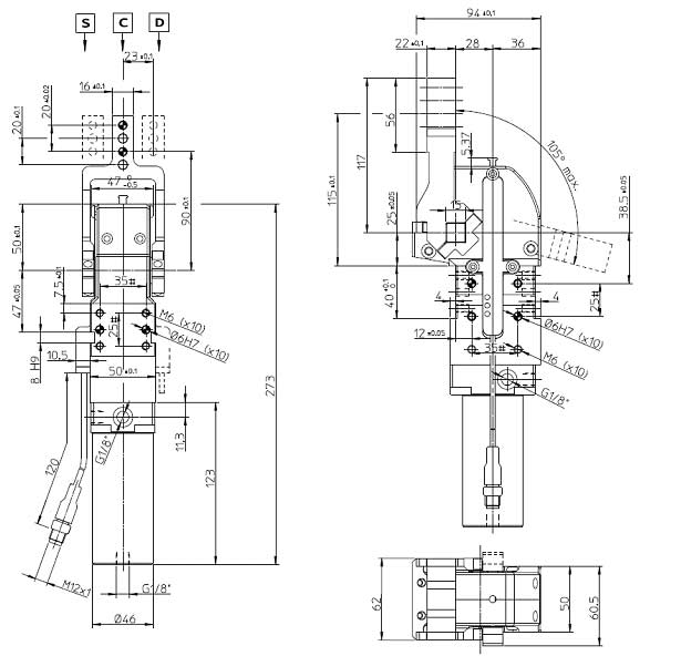
Ramię typu "V1" zacisku pneumatycznego CPR40

Standardowy kąt otwarcia to 105˚, mniejszy kąt otwarcia może być ustawiony w odstępach co 15˚.
| Typ | Średnica siłownika | Max. siła mocowania zacisku (5bar) | Ciężar | Moment mocowania | Max. ciśnienie pracy |
| C40… | 40 mm | 130 Nm | ~2 Kg | 380 Nm | 8 bar |
Ramię typu "O2" zacisku pneumatycznego CPR40

Standardowy kąt otwarcia to 105˚, mniejszy kąt otwarcia może być ustawiony w odstępach co 15˚.
| Typ | Średnica siłownika | Max. siła mocowania zacisku (5bar) | Ciężar | Moment mocowania | Max. ciśnienie pracy |
| C40… | 40 mm | 130 Nm | ~2 Kg | 380 Nm | 8 bar |
Jak zamawiać