Tu jesteś:
- Wyspa zaworowa 4HF
Wyspa zaworowa 4HF
- Info
- Bestsellery
Elementy składowe wyspy zaworowej 4HF
![]() | 4HF..CS-..-... płyta startowa ze wspólnym kanałem zasilającym |
| 4HF..SS-..-... płyta startowa z oddzielnymi kanałami zasilającymi dla zaworu i pilotów |
| - □ □ - moduł z zaworami dwucewkowymi |
| - □ □ - moduł z zaworami jednocewkowymi |
|
| - X□ - moduł separacji ciśnienia połączony z pojedyńczym zaworem |
| - Y□ - moduł pojedyNczego zaworu połączony z separatorem ciśnienia |
| - □ - moduł zaworu pojedyńczego |
| 4HF....-..-P płyta tylna zaślepiona |
| 4HF....-..-S płyta tylna z dodatkowymi kanałami zasilającymi i upustowymi |
System indentyfikacji
![]() | CS płyta startowa ze wspólnym kanałem zasilającym | ![]() | SS płyta startowa z osobnymi kanałami zasilajacymi |
Stacje zaworowe
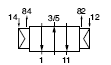
| B | zawór 5/2 2-cewkowy | ||
| C | zawór 5/3 w śr.położeniu zamknięty | ||
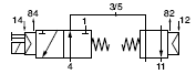
![]() | D | 2x zawór 3/2 NC | odpowiednik zaworu 5/3 | ![]() |
![]() | E | 2x zawór 3/2 NO | odpowiednik zaworu 5/3 | ![]() |
![]() | F | 1x zawór 3/2 NC + 1x zawór 3/2 NO | ||
![]() | W | wolne miejsce dla zaworu 2-cewkowego | ||
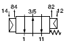
![]() | M | zawór 5/2 1-cewkowy | ||
![]() | G | 1x zawór 3/2 NC | ||
![]() | H | 1x zawór 3/2 NO | ||
![]() | V | wolne miejsce dla zaworu 1-cewkowego | ||
| X | moduł separacji ciśnienia z pojedynczym zaworem -X □- | ||
| Y | moduł pojedynczego zaworu z separatorem ciśnienia -□ Y- | ||
| P płyta tylna zaślepiona | ![]() | S płyta tylna z dodatkowymi kanałami |






















