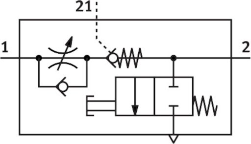
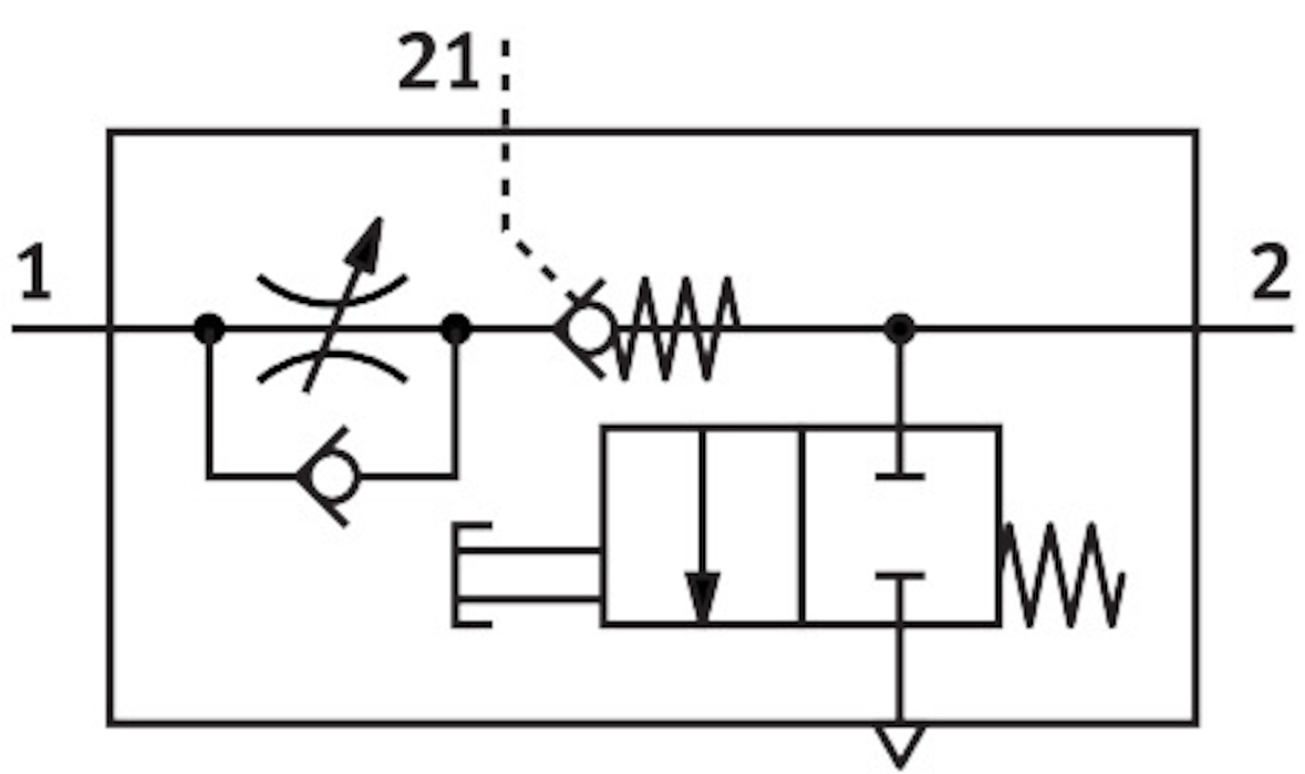
VFOF
| Symbol | 00991958 |
| Medium robocze | Sprężone powietrze wg ISO 8573-1:2010 [7:4:4] |
| Uwaga dotycząca medium roboczego/sterującego | Możliwa praca z powietrzem olejonym (po rozpoczęciu olejenia trzeba je kontynuować) |
| Temperatura medium | od -10 do 60 GC |
| Temperatura otoczenia | od -10 do 60 GC |
| Przyłącze pneumatyczne 2 | G1/4 - G1/8 |
| Materiał śruby do regulacji | Mosiądz |
| Materiał obudowy | PBT |
| Materiał uszczelnień | NBR |
| Zgodność z LABS | VDMA24364-B1/B2-L |
| Informacja o materiałach | Zgodność z dyrektywą RoHS |
| Waga produktu | od 73.9 - od 29.2 G |



