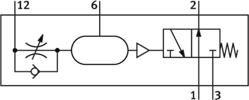
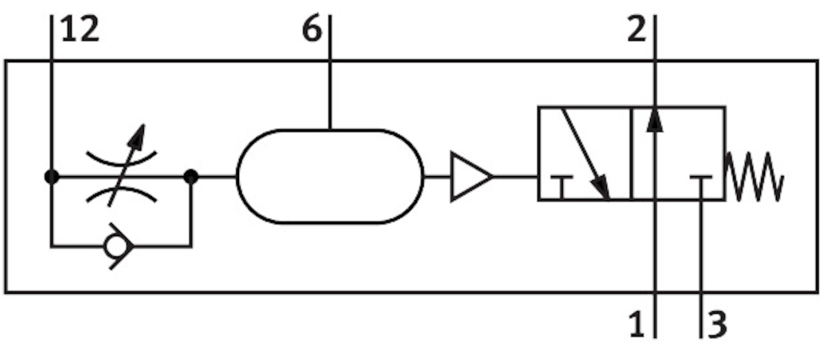
System M5-Compact
| Symbol | 00991131 - 00992823 |
| Ciśnienie robocze | od 2.5 do 8 BAR |
| Normalny przepływ nominalny (znormalizowany zgodnie z DIN 1343) | od 60 - od 90 L2 |
| Zgodność z LABS | VDMA24364-B1/B2-L |
| Temperatura otoczenia | od -10 do 60 GC |
| Waga produktu | od 150 - od 170 G |
| Typ mocowania | opcjonalnie: - na ramie montażowej |
| Materiał obudowy | Cynkowy odlew kokilowy |



