Tu jesteś:
- Prowadniki typu "C" do siłowników ISO 32÷63
Prowadniki typu "C" do siłowników ISO 32÷63
- Produkty
-
Ocena średnia:
(0 opinii)
Ten produkt nie ma jeszcze opinii
Liczba wariantów: 64
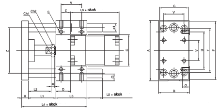
Prowadniki GLC - wymiary
![]() | ![]() |
| Ømm | A | B | C | CH1 | CH2 | D | E | F | G | H | Ø1 | L1 | L2 | L3 | L4 | L5 | L6 |
| 32 | 97 | 49 | 51 | 15 | 17 | 17 | 9,25 | 93 | 45 | 12 | 12 | 42 | 25 | 48 | 102 | 18 | 97 |
| 40 | 115 | 58 | 58,5 | 15 | 19 | 21 | 11 | 112 | 55 | 12 | 16 | 43 | 25 | 58 | 113 | 17 | 109 |
| 50 | 137 | 70 | 70,2 | 20 | 24 | 25 | 18,8 | 134 | 65 | 15 | 20 | 49 | 29 | 59 | 123 | 20 | 110 |
| 63 | 152 | 85 | 85,2 | 20 | 24 | 25 | 15,3 | 147 | 80 | 15 | 20 | 49 | 29 | 76 | 140 | 21 | 125 |
| Ømm | M | N | O | P | Q | R | S | T | U | V | Z |
| 32 | 6 | 6,6 | 12 | 11 | 6,5 | M6 | M6 | 78 | 61 | 32,5 | 74 |
| 40 | 7 | 6,6 | 12 | 11 | 6,5 | M6 | M6 | 84 | 69 | 38 | 87 |
| 50 | 8 | 9 | 16 | 15 | 8,5 | M8 | M8 | 100 | 85 | 46,5 | 104 |
| 63 | 8 | 9 | 16 | 15 | 9 | M8 | M8 | 105 | 100 | 56,5 | 119 |

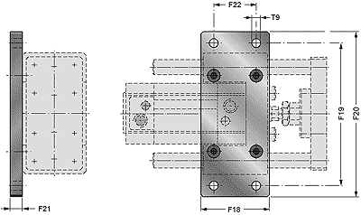
Płyta montażowa GLC/P
Materiał - stal galwanizowana
Wyposażenie standardowe - 4 śruby montażowe

| Średnica | F18 | F19 | F20 | F21 | F22 | ØT9 |
| 32 | 50 | 116 | 130 | 10 | 32,5 | 6,5 |
| 40 | 55 | 126 | 142 | 10 | 38 | 8,5 |
| 50 | 70 | 150 | 170 | 12 | 46,5 | 8,5 |
| 63 | 80 | 156 | 176 | 12 | 56,5 | 8,5 |
| 80 | 100 | 195 | 220 | 15 | 80 | 12 |
| 100 | 120 | 217 | 245 | 15 | 95 | 14 |

