-
-
Flowmatik
-
Napędy pneumatyczne
-
Sprężyny gazowe i amortyzatory przemysłowe
-
Zawory i elektrozawory pneumatyczne
-
Zawory elektromagnetyczne membranowe
-
Łączniki przewodów i rur
-
Armatura gwintowana
-
Szybkozłącza, złącza do węży
-
Armatura przemysłowa ze stali nierdzewnej
-
Przygotowanie powietrza - bloki, reduktory, filtry
-
Zawory kulowe - Armatura Przemysłowa
-
Węże pneumatyczne, węże przemysłowe
-
Festo
- SMC
-
Technika pomiarowa
-
Technika próżniowa
-
Próżnia przemysłowa
-
Kleje, Smary, Spraye
-
Kompresory
-
Osuszacze, uzdatnianie powietrza
-
Zawory bezpieczeństwa
-
Zbiorniki ciśnieniowe
-
Instalacje pneumatyczne
-
Narzędzia pneumatyczne
-
Technika lakiernicza
-
Pompy przemysłowe
-
Urządzenia pomiarowe
-
Bezpieczna pneumatyka
-
Hydraulika siłowa
-
Nowości w ofercie
- Wyprzedaż
-
- Warianty produktu
- Akcesoria
- Opinie
- Pliki do pobrania
Warianty produktu
Filtry
Nr katalogowy
Konstrukcja
Pokrycie
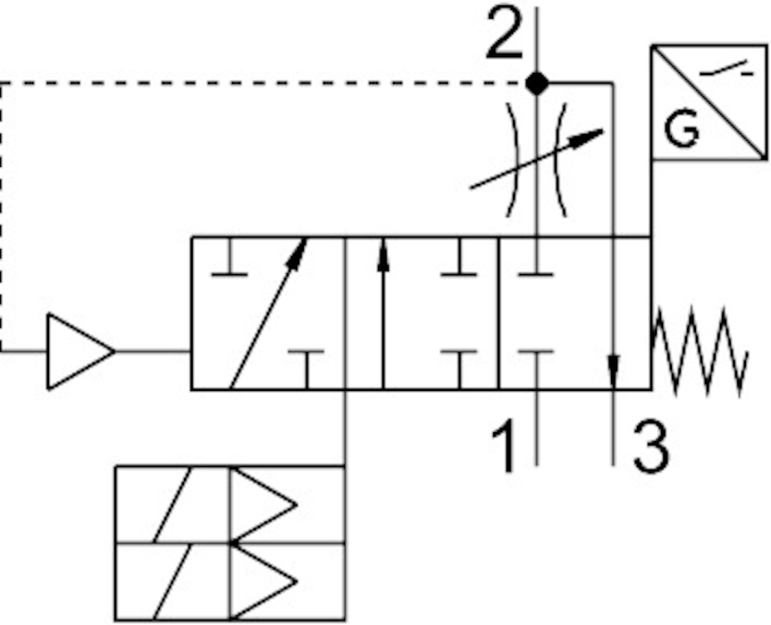
MS6-SV-1/2-E-10V24-AG Zawór wolnego startu/szybkiego odpowietrzenia
Tłoczkowo-gniazdowa
pokrycie ujemne
MS6-SV-1/2-E-10V24-SO-AG Zawór wolnego startu/szybkiego odpowietrzenia
Tłoczkowo-gniazdowa
pokrycie ujemne
MS6-SV-1/2-E-10V24-AD1 Zawór wolnego startu/szybki ego odpowietrzenia
Patrz dodatkowe informacje materiałowe
IFA 1001180
MS6-SV-1/2-C-10V24-S Zawór wolnego startu/szybkiego odpowietrzenia
Zawór tłoczkowo-suwakowy
przekrycie dodatnie
MS6-SV-1/2-D-10V24-2M8 Zawór wolnego startu/szybkiego odpowietrzenia
Tłoczkowo-gniazdowa
pokrycie ujemne
MS6-SV-1/2-D-10V24-2M8-SO-AG Zawór wolnego startu/szybkiego odpowietrzenia
Tłoczkowo-gniazdowa
pokrycie ujemne
MS6-SV-1/2-D-10V24P-2M12-SO-AG Zawór wolnego startu/szybkiego odpowietrzenia
Tłoczkowo-gniazdowa
pokrycie ujemne
MS6-SV-1/2-D-10V24-2OE-SO-AG Zawór wolnego startu/szybkiego odpowietrzenia
Tłoczkowo-gniazdowa
pokrycie ujemne
Akcesoria
Opinie
Ten produkt nie ma jeszcze opinii
Pliki do pobrania
Ten produkt nie posiada plików do pobrania
Skontaktuj się z nami wybierając interesujący Cię region
Korzyści zakupów
Darmowa przesyłka od 500 zł
2% zniżki na nocne zakupy
Odbiór zamówień już na drugi dzień
Produkcja siłowników w 24h
Wygodne metody płatności



