MS6-LRB
| Wielkość | 6 |
| Seria | MS |
| Zabezpieczenie przed uruchomieniem | Przycisk obrotowy z zapadką |
| Pozycja montażu | dowolny |
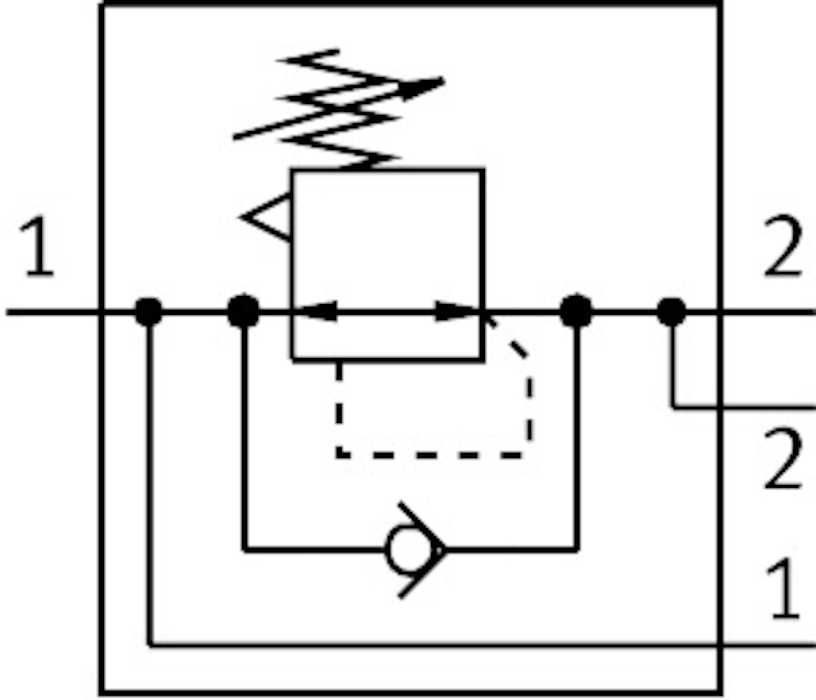
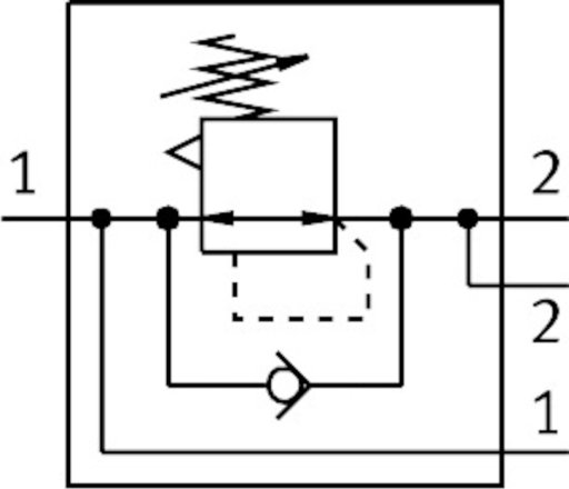
| Konstrukcja | sterowany bezpośrednio membranowy zawór regulacyjny |
| Funkcja regulatora | Stałe ciśnienie wyjściowe |
| Uwaga dotycząca medium roboczego/sterującego | Możliwa praca z powietrzem olejonym (po rozpoczęciu olejenia trzeba je kontynuować) |
| Wskaźnik ciśnienia | Przygotowanie dla G1/4 - Z manometrem |
| Zakres regulacji ciśnienia | od 0.3 do 4 - od 0.5 do 12 BAR |
| Normalny przepływ nominalny (znormalizowany zgodnie z DIN 1343) | od 7300 - od 800 L2 |
| Medium robocze | Sprężone powietrze wg ISO 8573-1:2010 [7:4:4] |
| Klasa odporności korozyjnej wg normy Festo | 2 - średnie obciążenie korozyjne |
| Zgodność z LABS | VDMA24364-B1/B2-L |
| Temperatura przechowywania | od -10 do 60 GC |
| Temperatura medium | od -10 do 60 GC |
| Temperatura otoczenia | od -10 do 60 GC |
| Waga produktu | od 747 G |
| Typ mocowania | opcjonalnie: |
| Przyłącze pneumatyczne 1 | G1/2 |
| Przyłącze pneumatyczne 2 | G1/2 - QS-8 |



