MS4-DE
| Konstrukcja | Tłoczkowo-gniazdowa |
| Wskaźnik stanu przełączenia | przy pomocy osprzętu |
| Parametry cewki | 110 V AC: 50/60 Hz, pobór mocy przy załączaniu 3,0 VA, moc podtrzymania 2,4 VA - 24 V DC: 1,8 W |
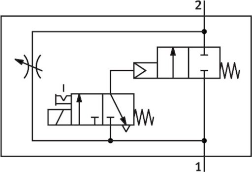
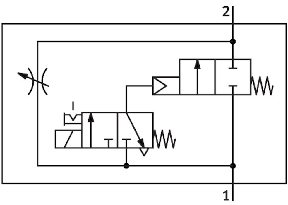
| Sposób uruchamiania | elektrycznie |
| Przyłącze zasilania powietrzem pilotów | wew. |
| Pomocnicze sterowanie ręczne | z blokadą |
| Sposób powrotu | sprężyna mechaniczna |
| Rodzaj sterowania | sterowanie pilotem |
| Symbol | 00991501 |
| Funkcja zaworu | 2/2 |
| Wartość C | od 9.6 LSB |
| Wartość b | od 0.45 |
| Normalny przepływ nominalny (znormalizowany zgodnie z DIN 1343) | od 2000 L2 |
| Czas pracy ciągłej | 100% |
| Wskaźnik stanu sygnału | Przy pomocy osprzętu |
| Medium robocze | Sprężone powietrze wg ISO 8573-1:2010 [7:4:4] |
| Uwaga dotycząca medium roboczego/sterującego | Możliwa praca z powietrzem olejonym (po rozpoczęciu olejenia trzeba je kontynuować) |
| Klasa odporności korozyjnej wg normy Festo | 2 - średnie obciążenie korozyjne |
| Informacja o materiałach | Zgodność z dyrektywą RoHS |
| Zgodność z LABS | VDMA24364-B1/B2-L |



