MS12-DL
| Konstrukcja | Tłoczkowo-gniazdowa |
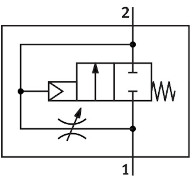
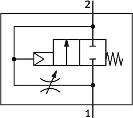
| Sposób uruchamiania | pneumatyczny |
| Przyłącze zasilania powietrzem pilotów | wew. |
| Funkcja odpowietrzenia | z możliwością dławienia |
| Pomocnicze sterowanie ręczne | brak |
| Sposób powrotu | sprężyna mechaniczna |
| Rodzaj sterowania | bezpośrednie |
| Symbol | 00991513 |
| Funkcja zaworu | 2/2 |
| Normalny przepływ nominalny (znormalizowany zgodnie z DIN 1343) | od 25000 do 42000 L2 |
| Medium robocze | Sprężone powietrze wg ISO 8573-1:2010 [7:-:-] |
| Klasa odporności korozyjnej wg normy Festo | 2 - średnie obciążenie korozyjne |
| Zgodność z LABS | VDMA24364-B1/B2-L |
| Temperatura medium | od -10 do 60 GC |
| Temperatura otoczenia | od -10 do 60 GC |
| Typ mocowania | opcjonalnie: |
| Pozycja montażu | dowolny |
| Waga produktu | od 3600 G |
| Przyłącze pneumatyczne 1 | Moduł baterii |
| Przyłącze pneumatyczne 2 | Moduł baterii |



