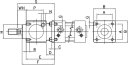
- Jednostka zaciskowa na tłoczysko do siłowników (ISO 6431/15552)
-
-
Flowmatik
-
Napędy pneumatyczne
-
Sprężyny gazowe i amortyzatory przemysłowe
-
Zawory i elektrozawory pneumatyczne
-
Zawory elektromagnetyczne membranowe
-
Łączniki przewodów i rur
-
Armatura gwintowana
-
Szybkozłącza, złącza do węży
-
Armatura przemysłowa ze stali nierdzewnej
-
Przygotowanie powietrza - bloki, reduktory, filtry
-
Zawory kulowe - Armatura Przemysłowa
-
Węże pneumatyczne, węże przemysłowe
-
Festo
- SMC
-
Technika pomiarowa
-
Technika próżniowa
-
Próżnia przemysłowa
-
Kleje, Smary, Spraye
-
Kompresory
-
Osuszacze, uzdatnianie powietrza
-
Zawory bezpieczeństwa
-
Zbiorniki ciśnieniowe
-
Instalacje pneumatyczne
-
Narzędzia pneumatyczne
-
Technika lakiernicza
-
Pompy przemysłowe
-
Urządzenia pomiarowe
-
Bezpieczna pneumatyka
-
Hydraulika siłowa
-
Nowości w ofercie
- Wyprzedaż
-
| Średnica | 32 - 125 mm |
| A | 32,5 - 110 |
| B | 47 - 138 |
| C | 6 - 20 |
| D | 20 - 45 |
| E | 60 - 140 |
| F | 67.5 - 156 |
| G | M6 - M12 |
| H | 30 - 60 |
| N | 1/8” G - 1/4” G |
| P | 33.25 - 84.5 |
| R | 8 - 20 |
| S | 86 - 205 |
| Waga | 0,4 - 6,5 kg |
| Siła zacisku | 790 - 12040 N |
| T | 60 - 140 |
| WH | 26 - 65 |
- Warianty produktu
- Akcesoria
- Opinie
- Pliki do pobrania


Dobierz produkt wypełniając formularz dla najbardziej popularnych wersji siłowników znormalizowanych.

Opiekunem kategorii jest:
Piotr Szmit
Product Manager
E-mail: silowniki@pneumat.com.pl
Biogram
Do firmy Pneumat przyjął się w 2017 roku. Odpowiedzialny jest za dział napędów pneumatycznych, zapewniający wsparcie w obszarze doboru siłowników stosowanych w różnorodnych aplikacjach przemysłowych. Stale poszerzający swoją wiedzę techniczną w zakresie pneumatyki siłowej.

Opiekunem kategorii jest:
Piotr Szmit
Product Manager
E-mail: silowniki@pneumat.com.pl
Do firmy Pneumat przyjął się w 2017 roku. Odpowiedzialny jest za dział napędów pneumatycznych, zapewniający wsparcie w obszarze doboru siłowników stosowanych w różnorodnych aplikacjach przemysłowych. Stale poszerzający swoją wiedzę techniczną w zakresie pneumatyki siłowej.
Skontaktuj się z nami wybierając interesujący Cię region



