Tu jesteś:
- Mocowanie sprężyny gazowej naścienne płaskie, kula fi 10 mm, do 800N
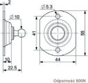
Mocowanie sprężyny gazowej naścienne płaskie, kula fi 10 mm, do 800N HG 92293
numer katalogowy: HG 92293
kategoria: Mocowania naścienne
Zamów do godz. 16:00, a wysyłkę nadamy jeszcze dzisiaj
Produkty w Promocji!
ST A100D8NM + F1
Hamulec olejowo-gazowy, 8/18, 0N ucho fi 8,1 mm, skok 100, długość 285 mm
RB2015
Amortyzator uderzeń skok 15 mm M20x1,5 bez kołpaka SMC
RBQC1604
Amortyzator uderzeń skok 4 mm M16x1,5 zderzak elastyczny SMC
RJ1007H
Amortyzator uderzeń prędkość zderzenia H 0,05 do 2 m/s M10x1, skok 7 mm kołpak podstawowy SMC

Opiekunem kategorii jest:
Miłosz Ładanowski
Product Manager
E-mail: sprezynygazowe@pneumat.com.pl
Biogram
W firmie Pneumat od 2017 roku, odpowiedzialny za dział sprężyn gazowych i amortyzatorów przemysłowych, zapewniający wsparcie w projektach wymagających dobierania sprężyn gazowych w nowych aplikacjach. Po pracy miłośnik sportu.

Opiekunem kategorii jest:
Miłosz Ładanowski
Product Manager
E-mail: sprezynygazowe@pneumat.com.pl
Biogram
W firmie Pneumat od 2017 roku, odpowiedzialny za dział sprężyn gazowych i amortyzatorów przemysłowych, zapewniający wsparcie w projektach wymagających dobierania sprężyn gazowych w nowych aplikacjach. Po pracy miłośnik sportu.
Skontaktuj się z nami wybierając interesujący Cię region



