Tu jesteś:
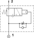
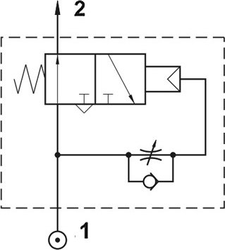
- Generator impulsu/sygnału pneumatycznego regulowany 0-10 sek gwintowany G1/8"
-
-
Flowmatik
-
Napędy pneumatyczne
-
Sprężyny gazowe i amortyzatory przemysłowe
-
Zawory i elektrozawory pneumatyczne
-
Zawory elektromagnetyczne membranowe
-
Łączniki przewodów i rur
-
Armatura gwintowana
-
Szybkozłącza, złącza do węży
-
Armatura przemysłowa ze stali nierdzewnej
-
Przygotowanie powietrza - bloki, reduktory, filtry
-
Zawory kulowe - Armatura Przemysłowa
-
Węże pneumatyczne, węże przemysłowe
-
Festo
- SMC
-
Technika pomiarowa
-
Technika próżniowa
-
Próżnia przemysłowa
-
Kleje, Smary, Spraye
-
Kompresory
-
Osuszacze, uzdatnianie powietrza
-
Zawory bezpieczeństwa
-
Zbiorniki ciśnieniowe
-
Instalacje pneumatyczne
-
Narzędzia pneumatyczne
-
Technika lakiernicza
-
Pompy przemysłowe
-
Urządzenia pomiarowe
-
Bezpieczna pneumatyka
-
Hydraulika siłowa
-
Nowości w ofercie
- Wyprzedaż
-
| Medium | przefiltrowane sprężone powietrze |
| Smarowanie | nie jest wymagane |
| Ciśnienie robocze | 2 - 10 bar |
| Temperatura otoczenia | max. +60 °C |
| Temperatura medium | max. +60 °C |
| Zakres czasu | 0 – 10 s |
| Przepływ nominalny | 550 Nl/min |
| Przyłącze | G 1/8 |
| A | 30 |
| B | 20 |
| C | 54 |
| D | 42 |
| E | 21 |
| ØF | 3,3 |
| G | G 1/8 |
| H | 18 |
| I | 20 |
| K | 4,8 |
| L | 4,2 |
5/5 1
Ocena:
2016.01.07
xan
ekspresowe dostawy
wygodne płatności
zakupy 24h
gwarancja jakości
- Warianty produktu
- Akcesoria
- Opinie
- Pliki do pobrania
Warianty produktu
Filtry
Nr katalogowy
Przyłącze
A
Akcesoria
Opinie
Ocena średnia:
(1 opinia)
Ocena:
2016.01.07
xan
Pliki do pobrania
Ten produkt nie posiada plików do pobrania
Wyprzedaż!
MPW-SD25-050
Przewód przyłączeniowy Multipin do wyspy zaworowej MPV, 5m
KEY-PRZYCISK
Przełącznik obrotowy zamykany kluczem dwupozycyjny, bistabilny, AZ Pneumatica
01VP03NC02
Zawór rozdzielający pneumatyczny 3/2 G 1/8 NC, monostabilny, ATEX
01VP050002
Zawór pneumatyczny 5/2, G1/8, powrót sprężyną
01VP150002
Zawór pneumatyczny 5/2, G1/8, bistabilny
01VS050002
Elektrozawór pneumatyczny rozdzielający 5/2 G 1/8 monostabilny (sprężyna mechaniczna), ATEX
MS 304 UL
Zawór rozdzielający mini 3/2 do węża fi 4 mm, NC z dźwignią jednokierunkową, przyłącze boczne
01VS050003
Elektrozawór pneumatyczny rozdzielający 5/2 G 1/4 monostabilny (sprężyna mechaniczna), ATEX
01VS150003
Elektrozawór pneumatyczny rozdzielający 5/2 G 1/4 bistabilny, ATEX
SVE5 52 100
Elektrozawór ISO1 5/2
01VP03NC05
Zawór rozdzielający pneumatyczny 3/2 G 1/2 NC, monostabilny, ATEX
FESTO-575511
VUVS-L25-M52-MD-G14-F8-1C1 Elektrozawór

Opiekunem kategorii jest:
Jerzy Witkoś
Product Manager
E-mail: jerzy.witkos@pneumat.com.pl
Biogram
Od 6 lat w dziale armatury przemysłowej w firmie Pneumat. Swoją wiedzę z zakresu pneumatyki zdobywał na takich obiektach jak rafinerie czy elektrownie. Stale poszerza swoją wiedzę z obszaru technik sterowania pneumatycznego i elektrycznego.

Opiekunem kategorii jest:
Jerzy Witkoś
Product Manager
E-mail: jerzy.witkos@pneumat.com.pl
Biogram
Od 6 lat w dziale armatury przemysłowej w firmie Pneumat. Swoją wiedzę z zakresu pneumatyki zdobywał na takich obiektach jak rafinerie czy elektrownie. Stale poszerza swoją wiedzę z obszaru technik sterowania pneumatycznego i elektrycznego.
Skontaktuj się z nami wybierając interesujący Cię region
Korzyści zakupów
Darmowa przesyłka od 500 zł
2% zniżki na nocne zakupy
Odbiór zamówień już na drugi dzień
Produkcja siłowników w 24h
Wygodne metody płatności



