Tu jesteś:
- F-3-1/4-B Zawór nożny
F-3-1/4-B Zawór nożny FESTO-8984
numer katalogowy: FESTO-8984
- Dane produktu
- Dane podstawowe
- Akcesoria
- Zdjęcia
- Dane produktu
- Dane podstawowe
- Zdjęcia
- Akcesoria
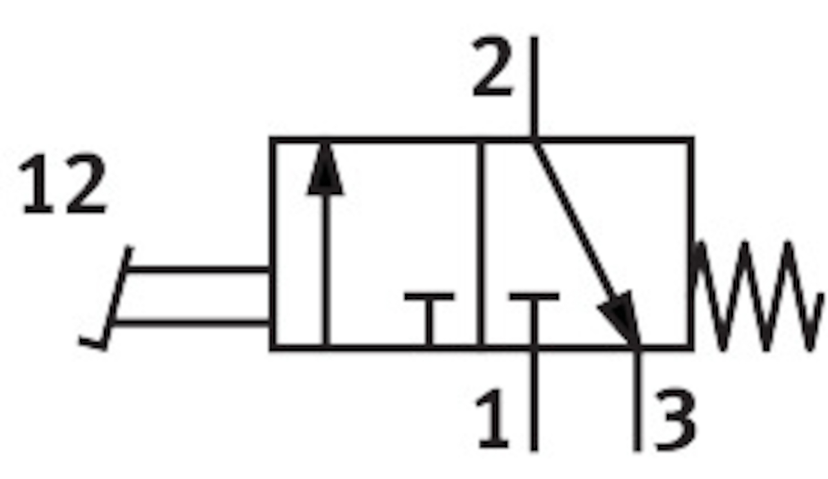
- Funkcja zaworu3/2 zamknięty monostabilnyKonstrukcjaGniazdo talerzoweSposób powrotusprężyna mechanicznaRodzaj sterowaniabezpośrednieKierunek przepływujednokierunkowySymbol00991101Pozycja montażudowolnyMedium roboczeSprężone powietrze wg ISO 8573-1:2010 [7:4:4]Zgodność z LABSVDMA24364-B1/B2-LTemperatura otoczeniaod -10 do 60 GCWaga produktuod 595 GTyp mocowaniaPrzy pomocy otworów przelotowychPrzyłącze pneumatyczne 1G1/4Przyłącze pneumatyczne 2G1/4Przyłącze pneumatyczne 3G1/4Materiał uszczelnieńNBRMateriał obudowyAluminiowy odlew ciśnieniowy
Pliki do pobrania:
- Karta Produktu
-
- Brak danych dla tego produktu
Pliki do pobrania:
- Karta Produktu
-
-
Pliki do pobrania:
- Karta Produktu
-
Skontaktuj się z nami wybierając interesujący Cię region



