Tu jesteś:
- VUVX-BK10-T32U-MZH-F-1T
VUVX-BK10-T32U-MZH-F-1T FESTO-8187063
numer katalogowy: FESTO-8187063
kategoria: Uniwersalne zawory rozdzielające
Ocena średnia: Pneumat System nie weryfikuje treści opinii zamieszczanych na stronie internetowej.
(0 opinii)
- Dane produktu
- Dane podstawowe
- Akcesoria
- Zdjęcia
- Dane produktu
- Dane podstawowe
- Zdjęcia
- Akcesoria
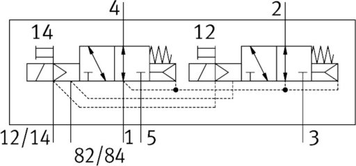
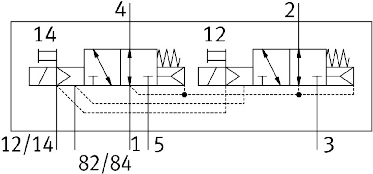
- Klasa odporności korozyjnej wg normy Festo1 - niskie obciążenie korozyjneKonstrukcjaKonstrukcja z uszczelnieniami na tłoczkuSymbol00997513Ciśnienie robocze/MPAdo 0.7 MPACiśnienie robocze/BARdo 7 BARMedium roboczeSprężone powietrze wg ISO 8573-1:2010 [7:4:4]Uwaga dotycząca medium roboczego/sterującegoOlej estrowy < 0,1 mg/m³, wg normy ISO 8573-1:2010 [-:-:2]Temperatura przechowywaniaod -20 do 70 GCTemperatura mediumod -5 do 50 GCTemperatura otoczeniaod -5 do 50 GCTyp mocowaniana płycie przyłączeniowejPrzyłącze pneumatyczne 1Płyta przyłączeniowaPrzyłącze pneumatyczne 2Płyta przyłączeniowaPrzyłącze pneumatyczne 3Płyta przyłączeniowaMateriał sprężynystal wysokostopowa nierdzewnaMateriał obudowyStop aluminium, anodowanyMateriał śrubStal nierdzewnaMateriał uszczelnieńHNBRZgodność z LABSVDMA24364-C1-LInformacja o materiałachZgodność z dyrektywą RoHSWaga produktuod 52.6 G
Pliki do pobrania:
- Karta Produktu
-
- Brak danych dla tego produktu
Pliki do pobrania:
- Karta Produktu
-
-
Pliki do pobrania:
- Karta Produktu
-
Skontaktuj się z nami wybierając interesujący Cię region



