Tu jesteś:
- VABF-S6-1-P5A4S1S-G12-1
Ocena średnia: Pneumat System nie weryfikuje treści opinii zamieszczanych na stronie internetowej.
(0 opinii)
- Dane produktu
- Dane podstawowe
- Akcesoria
- Zdjęcia
- Dane produktu
- Dane podstawowe
- Zdjęcia
- Akcesoria
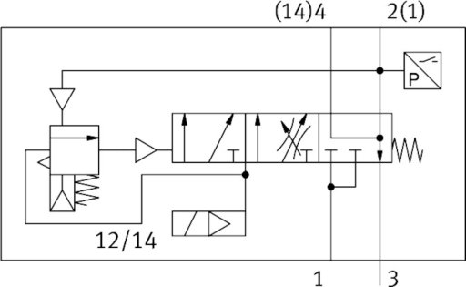
- Klasa odporności korozyjnej wg normy Festo0 - Brak obciążenia korozyjnegoZgodność z LABSVDMA24364-strefa IIITemperatura przechowywaniaod -20 do 60 GCWzględna wilgotność powietrzamaks. 90 % przy 40°CSposób uruchamianiaelektrycznieSposób uszczelnieniamiękkiPozycja montażudowolnyPomocnicze sterowanie ręcznez blokadąKonstrukcjaZawór tłoczkowo-suwakowySposób powrotusprężyna mechanicznaRodzaj sterowaniasterowanie pilotemPrzyłącze zasilania powietrzem pilotówwew.Kierunek przepływujednokierunkowySymbol00995977Funkcja zaworuWzrost ciśnieniaFunkcja elementu przełączającegoZestyk normalnie zamkniętyPokryciepokrycie ujemneUwaga dotycząca dynamicznego wymuszania stanuCzęstotliwość przełączania min. 1/miesiącWskaźnik stanu sygnałuŻółta dioda LED, wysterowanie zaworuKontrola pozycji przełączaniaprzez wyłącznik ciśnieniowy, stan odpowietrzonyCiśnienie robocze/MPAod 0.2 do 1 MPACiśnienie robocze/BARod 2 do 10 BARCiśnienie pilota/MPAod 0.2 do 1 MPACiśnienie pilota/BARod 2 do 10 BARCiśnienie przełączaniabez możliwości regulacjiNormalny przepływ nominalny na napowietrzaniu3000 L2Normalny przepływ nominalny, odpowietrzenie3300 L2Czas pracy ciągłej100%Znamionowe napięcie robocze DCod 24 VParametry cewki24 V DC: 1,6 WDopuszczalne wahania napięcia+/- 10 %Medium roboczeSprężone powietrze wg ISO 8573-1:2010 [7:4:4]Uwaga dotycząca medium roboczego/sterującegoPraca z olejonym powietrzem nie jest możliwaTemperatura mediumod -5 do 50 GCMedium sterujące (dla pilotów)Sprężone powietrze wg ISO 8573-1:2010 [7:4:4]Przyłącze elektrycznePlug-inPrzyłącze czujnikaWtyczkaPrzyłącze pneumatyczne 3G1/2Stopień ochronyIP65Temperatura otoczeniaod -5 do 50 GCWaga produktuod 466 GSterowanie elektryczneMulti-pinTyp mocowaniana płycie przyłączeniowejInformacja o materiałachZgodność z dyrektywą RoHSMateriał uszczelnieńHNBRMateriał obudowyStop aluminium do przeróbki plastycznejMateriał śrubStal, ocynkowana
Pliki do pobrania:
- Karta Produktu
-
- Brak danych dla tego produktu
Pliki do pobrania:
- Karta Produktu
-
-
Pliki do pobrania:
- Karta Produktu
-
Skontaktuj się z nami wybierając interesujący Cię region



