Tu jesteś:
- VUVG-B14-T32H-AZT-F-1T1L-F1A Elektrozawór
VUVG-B14-T32H-AZT-F-1T1L-F1A Elektrozawór FESTO-8141528
numer katalogowy: FESTO-8141528
kategoria: Uniwersalne zawory rozdzielające
Ocena średnia: Pneumat System nie weryfikuje treści opinii zamieszczanych na stronie internetowej.
(0 opinii)
- Dane produktu
- Dane podstawowe
- Akcesoria
- Zdjęcia
- Dane produktu
- Dane podstawowe
- Zdjęcia
- Akcesoria
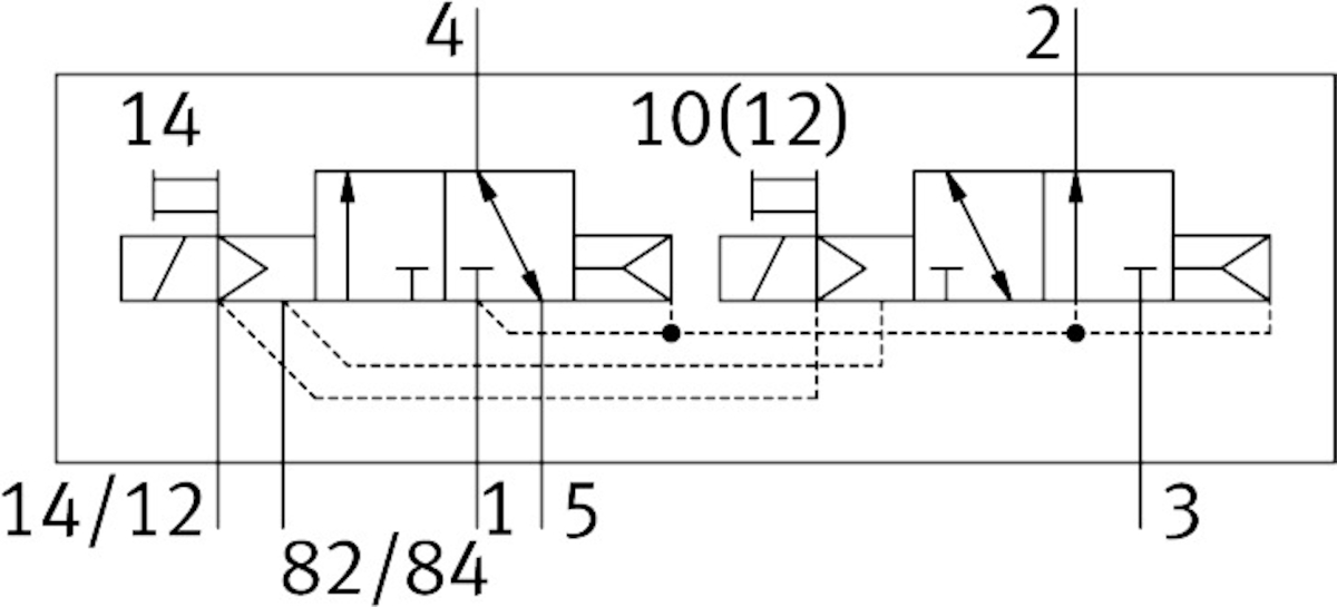
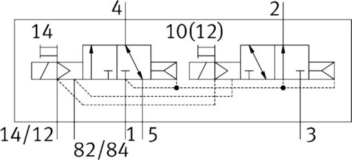
- Funkcja zaworu2x3/2 otwarty/zamknięty monostabilnyWielkość zaworu14 MMStopień ochronyIP40Ciśnienie robocze/MPAod 0.15 do 1 MPACiśnienie robocze/BARod 1.5 do 10 BARKonstrukcjaZawór tłoczkowo-suwakowySposób powrotusprężyna pneumatycznaMaks. częstotliwość przełączania3 HZPrzydatność do produkcji akumulatorów litowo-jonowychNie wolno stosować metali, w których zawartość miedzi, cynku lub niklu przekracza 1% masy. Wyjątkiem są nikiel w stali, powierzchnie niklowane chemicznie, płytki drukowane, kable, złącza elektryczne i cewkiKlasa CleanroomKlasa 6 wg ISO 14644-1Funkcja odpowietrzeniaz możliwością dławieniaSposób uszczelnieniamiękkiPomocnicze sterowanie ręcznez blokadąRodzaj sterowaniasterowanie pilotemPrzyłącze zasilania powietrzem pilotówzewn.Symbol00992909Pokrycieprzekrycie dodatnieWskaźnik stanu sygnałuLEDCzas wyłączaniaod 29 MSCzas włączaniaod 10 MSCzas pracy ciągłej100%Pozycja montażudowolnyCertyfikacjac UL us - Recognized (OL)Maks. dodatni impuls testowy przy sygnale 0od 1600 MISMaks. ujemny impuls testowy na 1 sygnaleod 3000 MISParametry cewki22 V DC: 1,0 WDopuszczalne wahania napięcia+/- 10 %Medium roboczeSprężone powietrze wg ISO 8573-1:2010 [7:4:4]Uwaga dotycząca medium roboczego/sterującegoMożliwa praca z powietrzem olejonym (po rozpoczęciu olejenia trzeba je kontynuować)Odporność na drganiaTest odporności podczas transportu przy drganiach o stopniu intensywności 2 wg FN 942017-4 i EN 60068-2-6Odporność na wstrząsyTest odporności na wstrząsy o stopniu intensywności 2 wg FN 942017-5 i EN 60068-2-27Klasa odporności korozyjnej wg normy Festo0 - Brak obciążenia korozyjnegoZgodność z LABSVDMA24364-strefa IIITemperatura mediumod -5 do 60 GCMedium sterujące (dla pilotów)Sprężone powietrze wg ISO 8573-1:2010 [7:4:4]Temperatura otoczeniaod -5 do 60 GCWaga produktuod 102 GPrzyłącze elektrycznePrzez płytę przyłączeniowąTyp mocowaniana listwie przyłączeniowejInformacja o materiałachZgodność z dyrektywą RoHSMateriał uszczelnieńHNBRMateriał obudowyStop aluminium do przeróbki plastycznej
Pliki do pobrania:
- Karta Produktu
-
- Brak danych dla tego produktu
Pliki do pobrania:
- Karta Produktu
-
-
Pliki do pobrania:
- Karta Produktu
-
Skontaktuj się z nami wybierając interesujący Cię region



