Tu jesteś:
- MS6-LFR-1/2-D6-E-P-VC-A
Ocena średnia: Pneumat System nie weryfikuje treści opinii zamieszczanych na stronie internetowej.
(0 opinii)
- Dane produktu
- Dane podstawowe
- Akcesoria
- Zdjęcia
- Dane produktu
- Dane podstawowe
- Zdjęcia
- Akcesoria
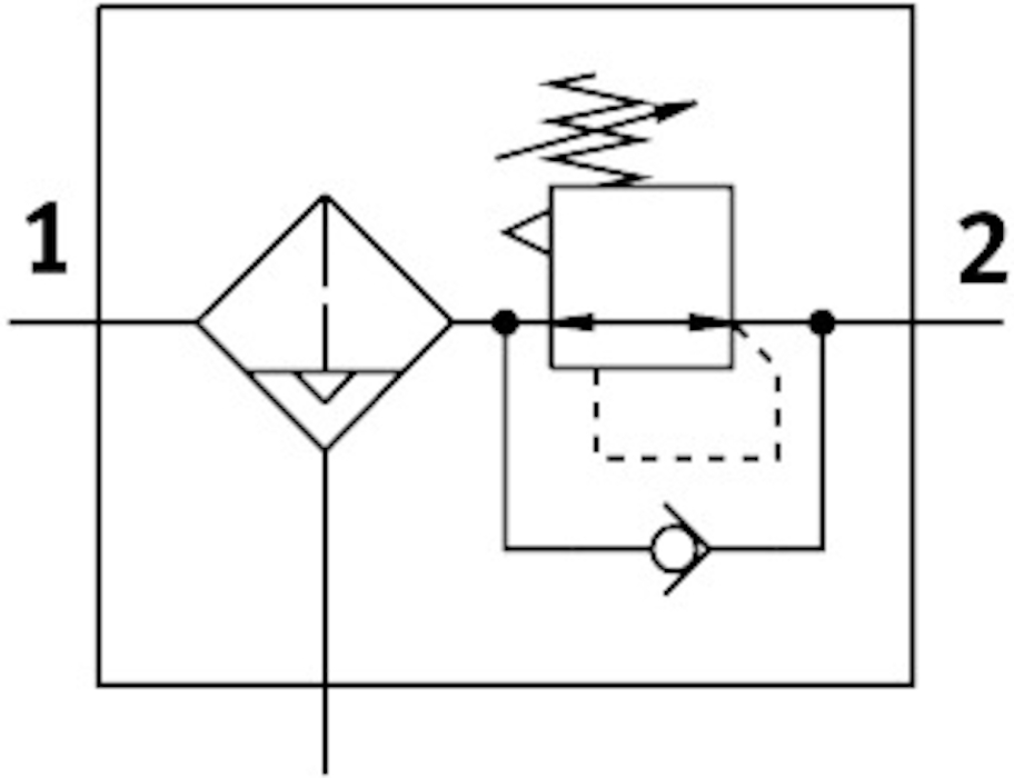
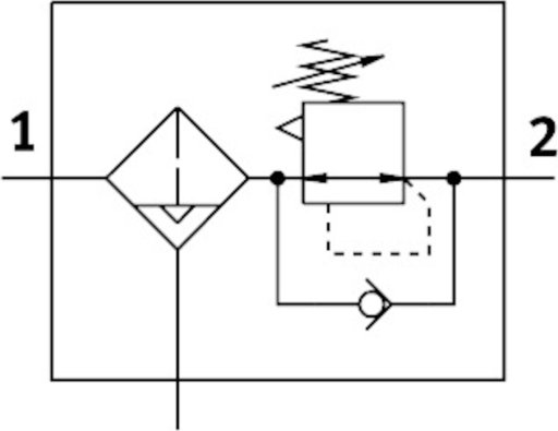
- Dokładność filtracjiod 40 MIMSpust kondensatuautomatycznyKonstrukcjaRegulator z filtrem bez manometruMak. ilość kondensatu27.3 MLSymbol00991588Wskaźnik ciśnieniaPrzygotowanie dla G1/8Ciśnienie robocze/MPAod 0.2 do 1 MPAFunkcja regulatoraStałe ciśnienie wyjścioweZakres regulacji ciśnieniaod 0.3 do 7 BARUwaga dotycząca medium roboczego/sterującegoNie podano odporności na olej estrowyMateriał uszczelnieńNBRMateriał sprężynyStal wysokostopowaCiśnienie robocze/BARod 2 do 10 BARMaks. histereza ciśnienia/MPA0.035 MPAMaks. histereza ciśnienia/BARod 0.35 BARMaks. histereza ciśnienia/PSI5.075 PSINormalny przepływ nominalny (znormalizowany zgodnie z DIN 1343)od 5300 L2Medium roboczeSprężone powietrze wg ISO 8573-1:2010 [7:4:4]Klasa odporności korozyjnej wg normy Festo1 - niskie obciążenie korozyjneZgodność z LABSVDMA24364-B1/B2-LKlasa CleanroomKlasa 7 wg ISO 14644-1Temperatura przechowywaniaod -5 do 50 GCKlasa czystości powietrza na wyjściuSprężone powietrze wg ISO 8573-1:2010 [7:4:4]Temperatura mediumod 5 do 50 GCTemperatura otoczeniaod 5 do 50 GCWaga produktuod 585 GTyp mocowaniaopcjonalnie:Przyłącze pneumatyczne 1G1/2Materiał pokrętłaPolioksymetylenMateriał popychacza zaworuPolioksymetylenMateriał filtraPEPrzyłącze pneumatyczne 2G1/2Informacja o materiałachZgodność z dyrektywą RoHSMateriał obudowyWzmocniony poliamidMateriał pojemnikaPC
Pliki do pobrania:
- Karta Produktu
-
- Brak danych dla tego produktu
Pliki do pobrania:
- Karta Produktu
-
-
Pliki do pobrania:
- Karta Produktu
-
Skontaktuj się z nami wybierając interesujący Cię region



