Tu jesteś:
- VABF-S6-1-P5A4S1YE-G12-1T5-PA Zawór wolnego startu
VABF-S6-1-P5A4S1YE-G12-1T5-PA Zawór wolnego startu FESTO-8067407
numer katalogowy: FESTO-8067407
kategoria: Elementy funkcyjne
Ocena średnia: Pneumat System nie weryfikuje treści opinii zamieszczanych na stronie internetowej.
(0 opinii)
- Dane produktu
- Dane podstawowe
- Akcesoria
- Zdjęcia
- Dane produktu
- Dane podstawowe
- Zdjęcia
- Akcesoria
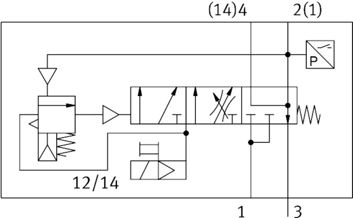
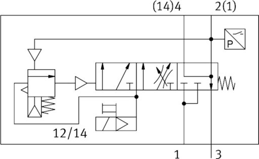
- Klasa odporności korozyjnej wg normy Festo0 - Brak obciążenia korozyjnegoZgodność z LABSVDMA24364-B1/B2-LSposób uruchamianiaelektrycznieSposób uszczelnieniamiękkiPozycja montażudowolnyPomocnicze sterowanie ręcznez blokadąKonstrukcjaZawór tłoczkowo-suwakowySposób powrotusprężyna mechanicznaRodzaj sterowaniasterowanie pilotemPrzyłącze zasilania powietrzem pilotówwew.Kierunek przepływujednokierunkowySymbol00995976Funkcja zaworuWzrost ciśnieniaFunkcja elementu przełączającegoZestyk normalnie zamkniętyPokryciepokrycie ujemneUwaga dotycząca dynamicznego wymuszania stanuCzęstotliwość przełączania min. 1/miesiącWskaźnik stanu sygnałuŻółta dioda LED, wysterowanie zaworuKontrola pozycji przełączaniaprzez wyłącznik ciśnieniowy, stan odpowietrzonyCiśnienie robocze/MPAod 0.3 do 1 MPACiśnienie robocze/BARod 3 do 10 BARCiśnienie przełączaniabez możliwości regulacjiNormalny przepływ nominalny na napowietrzaniu3000 L2Normalny przepływ nominalny, odpowietrzenie3300 L2Czas pracy ciągłej100%Znamionowe napięcie robocze DCod 24 VParametry cewki24 V DC: 1,6 WDopuszczalne wahania napięcia+/- 10 %Medium roboczeSprężone powietrze wg ISO 8573-1:2010 [7:4:4]Uwaga dotycząca medium roboczego/sterującegoPraca z olejonym powietrzem nie jest możliwaTemperatura mediumod -5 do 50 GCMedium sterujące (dla pilotów)Sprężone powietrze wg ISO 8573-1:2010 [7:4:4]Przyłącze elektrycznePlug-inPrzyłącze pneumatyczne 3G1/2Stopień ochronyIP65Temperatura otoczeniaod -5 do 50 GCWaga produktuod 466 GSterowanie elektryczneMagistrala polowaTyp mocowaniana płycie przyłączeniowejInformacja o materiałachZgodność z dyrektywą RoHSMateriał uszczelnieńHNBRMateriał obudowyStop aluminium do przeróbki plastycznejMateriał śrubStal, ocynkowana
Pliki do pobrania:
- Karta Produktu
-
- Brak danych dla tego produktu
Pliki do pobrania:
- Karta Produktu
-
-
Pliki do pobrania:
- Karta Produktu
-
Skontaktuj się z nami wybierając interesujący Cię region



