Tu jesteś:
- VSVA-B-T22CV-AZ-A1-1T1L Elektrozawór
VSVA-B-T22CV-AZ-A1-1T1L Elektrozawór FESTO-8033079
numer katalogowy: FESTO-8033079
kategoria: Znormalizowane zawory rozdzielające
Ocena średnia: Pneumat System nie weryfikuje treści opinii zamieszczanych na stronie internetowej.
(0 opinii)
- Dane produktu
- Dane podstawowe
- Akcesoria
- Zdjęcia
- Dane produktu
- Dane podstawowe
- Zdjęcia
- Akcesoria
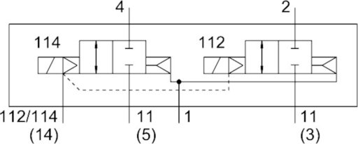
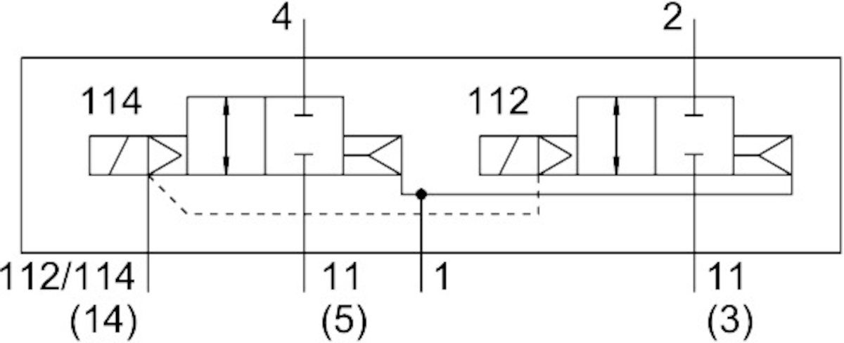
- Funkcja zaworu2x2/2 zamknięty monostabilnyStopień ochronyIP65Ciśnienie robocze/MPAod -0.09 do 1 MPACiśnienie robocze/BARod -0.9 do 10 BARKonstrukcjaZawór tłoczkowo-suwakowySposób powrotusprężyna pneumatycznaFunkcja odpowietrzeniaz możliwością dławieniaSposób uszczelnieniamiękkiPomocnicze sterowanie ręcznezakryteRodzaj sterowaniasterowanie pilotemPrzyłącze zasilania powietrzem pilotówzewn.Kierunek przepływudowolnySymbol00995432Pokrycieprzekrycie dodatnieWskaźnik stanu sygnałuLEDPrzepływ zaworu1350 L2Przepływ zaworu na pojedynczej płycie przyłączeniowejod 1100 L2Przepływ zaworu, zabudowanego na bloku pneumatycznymod 1000 L2Czas wyłączaniaod 38 MSCzas włączaniaod 20 MSCzas pracy ciągłej100%Znamionowe napięcie robocze DCod 24 VPrzyłącze pneumatyczne 4Płyta przyłączeniowa wielkość 26 mm wg ISO 15407-2Pozycja montażudowolnyCertyfikacjac UL us - Recognized (OL)Maks. dodatni impuls testowy przy sygnale 0od 1500 MISMaks. ujemny impuls testowy na 1 sygnaleod 1200 MISParametry cewki24 V DC: 1,3 WDopuszczalne wahania napięcia+/- 10 %Medium roboczeSprężone powietrze wg ISO 8573-1:2010 [7:4:4]Uwaga dotycząca medium roboczego/sterującegoMożliwa praca z powietrzem olejonym (po rozpoczęciu olejenia trzeba je kontynuować)Odporność na drganiaTest odporności podczas transportu przy drganiach o stopniu intensywności 2 wg FN 942017-4 i EN 60068-2-6Odporność na wstrząsyTest odporności na wstrząsy o stopniu intensywności 2 wg FN 942017-5 i EN 60068-2-27Klasa odporności korozyjnej wg normy Festo0 - Brak obciążenia korozyjnegoZgodność z LABSVDMA24364-B1/B2-LMedium sterujące (dla pilotów)Sprężone powietrze wg ISO 8573-1:2010 [7:4:4]Temperatura otoczeniaod -5 do 50 GCWaga produktuod 335 GPrzyłącze elektrycznePlug-inTyp mocowaniana płycie przyłączeniowejPrzyłącze pneumatyczne 1Płyta przyłączeniowa, wielkość 26 mm wg ISO 15407-2Przyłącze pneumatyczne 2Płyta przyłączeniowa wielkość 26 mm wg ISO 15407-2Przyłącze pneumatyczne 3Płyta przyłączeniowa wielkość 26 mm wg ISO 15407-2Przyłącze pneumatyczne 5Płyta przyłączeniowa, wielkość 26 mm wg ISO 15407-2Informacja o materiałachZgodność z dyrektywą RoHSMateriał uszczelnieńFPMMateriał obudowyAluminiowy odlew ciśnieniowyMateriał śrubStal, ocynkowana
Pliki do pobrania:
- Karta Produktu
-
- Brak danych dla tego produktu
Pliki do pobrania:
- Karta Produktu
-
-
Pliki do pobrania:
- Karta Produktu
-
Skontaktuj się z nami wybierając interesujący Cię region



