Tu jesteś:
- SPAW-P6R-G12M-2PA-M12 Czujnik ciśnienia
SPAW-P6R-G12M-2PA-M12 Czujnik ciśnienia FESTO-8022788
numer katalogowy: FESTO-8022788
kategoria: Czujniki ciśnienia i podciśnienia
Ocena średnia: Pneumat System nie weryfikuje treści opinii zamieszczanych na stronie internetowej.
(0 opinii)
- Dane produktu
- Dane podstawowe
- Akcesoria
- Zdjęcia
- Dane produktu
- Dane podstawowe
- Zdjęcia
- Akcesoria
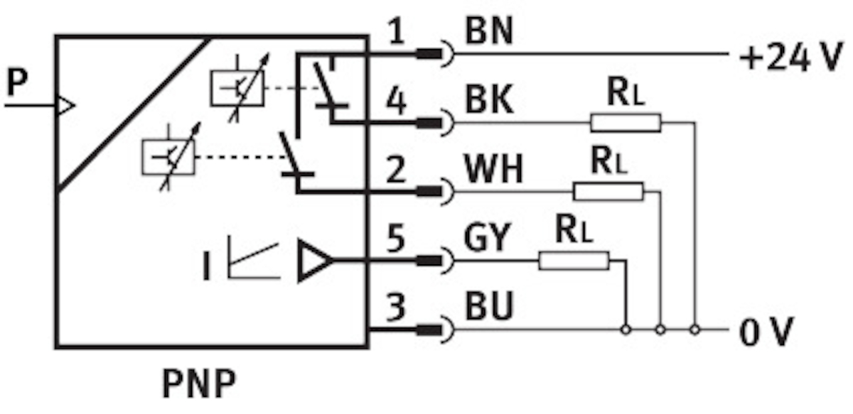
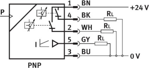
- CertyfikacjaRCM MarkZnak CE (patrz deklaracja zgodności)Zgodnie z dyrektywą kompatybilności elektromagnetycznej UEZnak UKCA (patrz deklaracja zgodności)wg przepisów UK dot. EMVZakres pomiaru ciśnienia – wartość początkowa/BAR0 BARInformacja o materiałachZgodność z dyrektywą RoHSWielkość pomiarowaCiśnienie względneMetoda pomiaruPiezoelektryczny czujnik ciśnieniaZakres pomiaru ciśnienia – wartość początkowa/MPA0 MPAZakres pomiaru ciśnienia – wartość początkowa/PSI0 PSIWartość końcowa zakresu pomiaru ciśnienia/MPA0.6 MPAWartość końcowa zakresu pomiaru ciśnienia/BAR6 BARWartość końcowa zakresu pomiaru ciśnienia/PSI87 PSICiśnienie przeciążenia/MPAod 1.2 MPACiśnienie przeciążenia/BARod 12 BARCiśnienie przeciążenia/PSIod 174 PSIMedium roboczeSprężone powietrze wg ISO 8573-1:2010 [-:-:-]Temperatura mediumod -20 do 85 GCTemperatura otoczeniado 80 GCDokładność w ± % FSod 1 YUQDokładność powtarzalności w ± %FSod 0.15 YUQWyjście dwustanowe2xPNPFunkcja przełączaniaDowolnie programowalnaMateriał obudowyABSMateriały mające kontakt z mediumnierdzewna stal stopowaFunkcja elementu przełączającegoz możliwością przełączaniaMaks. prąd wyjściowyod 250 MAWyjście analogowe4 - 20 mACzas narastania impulsu3 MSZabezpieczenie przeciwzwarciowetakZakres napięcia roboczego DCod 15 do 35 VOchrona przed zmianą polaryzacjidla napięcia roboczegoPrzyłącze elektryczne 1, rodzaj przyłączaWtyczkaPrzyłącze elektryczne 1, technika przyłączeniowaM12x1, kodowanie A wg EN 61076-2-101Przyłącze elektryczne 1, liczba pinów/żyłod 5Przyłącze elektryczne 1, układ połączeń00995383Typ mocowaniaz gwintem zewnętrznymPozycja montażudowolnyPrzyłącze pneumatyczneGwint zewnętrzny G1/2Waga produktuod 230 GRodzaj wskazania4-znakowy, alfanumerycznyWyświetlane jednostkiMPaOpcje ustawieńprzy pomocy wyświetlacza i przyciskówZabezpieczenie przed manipulacjąKod PINZakres ustawiania wartości progowejod 0.5 do 100 %Zakres ustawiania histerezyod 0.5 do 99.5 %Stopień ochronyIP65Klasa odporności korozyjnej wg normy Festo4 - wyjątkowo silne obciążenie korozyjneZgodność z LABSVDMA24364-strefa III
Pliki do pobrania:
- Karta Produktu
-
- Brak danych dla tego produktu
Pliki do pobrania:
- Karta Produktu
-
-
Pliki do pobrania:
- Karta Produktu
-
Skontaktuj się z nami wybierając interesujący Cię region



