Tu jesteś:
- SPAW-P16R-G14F-2N-M12 Czujnik ciśnienia
SPAW-P16R-G14F-2N-M12 Czujnik ciśnienia FESTO-8022763
numer katalogowy: FESTO-8022763
kategoria: Czujniki ciśnienia i podciśnienia
Ocena średnia: Pneumat System nie weryfikuje treści opinii zamieszczanych na stronie internetowej.
(0 opinii)
- Dane produktu
- Dane podstawowe
- Akcesoria
- Zdjęcia
- Dane produktu
- Dane podstawowe
- Zdjęcia
- Akcesoria
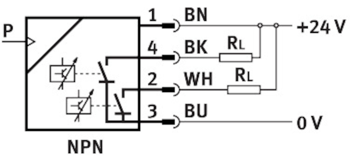
- CertyfikacjaRCM MarkZnak CE (patrz deklaracja zgodności)Zgodnie z dyrektywą kompatybilności elektromagnetycznej UEZnak UKCA (patrz deklaracja zgodności)wg przepisów UK dot. EMVZakres pomiaru ciśnienia – wartość początkowa/BAR0 BARInformacja o materiałachZgodność z dyrektywą RoHSWielkość pomiarowaCiśnienie względneMetoda pomiaruCzujnik ciśnienia z warstewką cienkiego metaluZakres pomiaru ciśnienia – wartość początkowa/MPA0 MPAZakres pomiaru ciśnienia – wartość początkowa/PSI0 PSIWartość końcowa zakresu pomiaru ciśnienia/MPA1.6 MPAWartość końcowa zakresu pomiaru ciśnienia/BAR16 BARWartość końcowa zakresu pomiaru ciśnienia/PSI232 PSICiśnienie przeciążenia/MPAod 3.2 MPACiśnienie przeciążenia/BARod 32 BARCiśnienie przeciążenia/PSIod 464 PSIMedium roboczeSprężone powietrze wg ISO 8573-1:2010 [-:-:-]Temperatura mediumod -20 do 85 GCTemperatura otoczeniado 80 GCDokładność w ± % FSod 1 YUQDokładność powtarzalności w ± %FSod 0.15 YUQWyjście dwustanowe2xNPNFunkcja przełączaniaDowolnie programowalnaMateriał obudowyABSMateriały mające kontakt z mediumnierdzewna stal stopowaFunkcja elementu przełączającegoz możliwością przełączaniaMaks. prąd wyjściowyod 250 MACzas narastania impulsu3 MSZabezpieczenie przeciwzwarciowetakZakres napięcia roboczego DCod 15 do 35 VOchrona przed zmianą polaryzacjidla napięcia roboczegoPrzyłącze elektryczne 1, rodzaj przyłączaWtyczkaPrzyłącze elektryczne 1, technika przyłączeniowaM12x1, kodowanie A wg EN 61076-2-101Przyłącze elektryczne 1, liczba pinów/żyłod 4Przyłącze elektryczne 1, układ połączeń00995386Typ mocowaniaPrzy pomocy gwintu wewnętrznegoPozycja montażudowolnyPrzyłącze pneumatyczneGwint wewnętrzny G1/4Waga produktuod 230 GRodzaj wskazania4-znakowy, alfanumerycznyWyświetlane jednostkiMPaOpcje ustawieńprzy pomocy wyświetlacza i przyciskówZabezpieczenie przed manipulacjąKod PINZakres ustawiania wartości progowejod 0.5 do 100 %Zakres ustawiania histerezyod 0.5 do 99.5 %Stopień ochronyIP65Klasa odporności korozyjnej wg normy Festo4 - wyjątkowo silne obciążenie korozyjneZgodność z LABSVDMA24364-strefa III
Pliki do pobrania:
- Karta Produktu
-
- Brak danych dla tego produktu
Pliki do pobrania:
- Karta Produktu
-
-
Pliki do pobrania:
- Karta Produktu
-
Skontaktuj się z nami wybierając interesujący Cię region



