Tu jesteś:
- VABF-S4-2-L1D2-C Płyta odcinająca zasilanie do zabudowy warstwowej
VABF-S4-2-L1D2-C Płyta odcinająca zasilanie do zabudowy warstwowej FESTO-8001178
numer katalogowy: FESTO-8001178
kategoria: Elementy funkcyjne
- Dane produktu
- Dane podstawowe
- Akcesoria
- Zdjęcia
- Dane produktu
- Dane podstawowe
- Zdjęcia
- Akcesoria
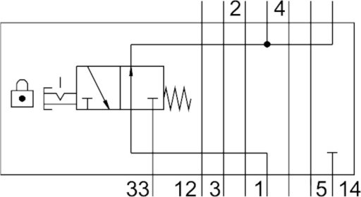
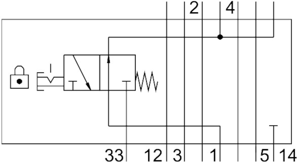
- Klasa odporności korozyjnej wg normy Festo0 - Brak obciążenia korozyjnegoZgodność z LABSVDMA24364-B1/B2-LPozycja montażudowolnySymbol00995593Ciśnienie robocze/MPAod 1 MPACiśnienie robocze/BARod 10 BARMedium roboczeSprężone powietrze wg ISO 8573-1:2010 [7:4:4]Uwaga dotycząca medium roboczego/sterującegoMożliwa praca z powietrzem olejonym (po rozpoczęciu olejenia trzeba je kontynuować)Medium sterujące (dla pilotów)Sprężone powietrze wg ISO 8573-1:2010 [7:4:4]Stopień ochronyIP65Temperatura otoczeniaod -5 do 50 GCWaga produktuod 231 GInformacja o materiałachZgodność z dyrektywą RoHSMateriał obudowyAluminiowy odlew ciśnieniowy
Pliki do pobrania:
- Karta Produktu
-
- Brak danych dla tego produktu
Pliki do pobrania:
- Karta Produktu
-
-
Pliki do pobrania:
- Karta Produktu
-
Skontaktuj się z nami wybierając interesujący Cię region



