Tu jesteś:
- VUVB-ST12-M32C-MZH-QX-1T1 Elektrozawór
VUVB-ST12-M32C-MZH-QX-1T1 Elektrozawór FESTO-575997
numer katalogowy: FESTO-575997
kategoria: Uniwersalne wyspy zaworowe
Ocena średnia: Pneumat System nie weryfikuje treści opinii zamieszczanych na stronie internetowej.
(0 opinii)
- Dane produktu
- Dane podstawowe
- Akcesoria
- Zdjęcia
- Dane produktu
- Dane podstawowe
- Zdjęcia
- Akcesoria
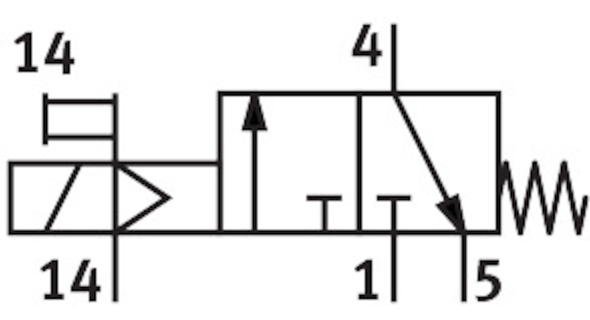
- Funkcja zaworu3/2 zamknięty monostabilnyWielkość zaworu12 MMStopień ochronyIP65Ciśnienie robocze/MPAod 0.2 do 0.8 MPACiśnienie robocze/BARod 2 do 8 BARKonstrukcjaZawór gniazdowy ze sprężyną powrotnąFunkcja odpowietrzeniabez dławieniaSposób uszczelnieniamiękkiPomocnicze sterowanie ręcznebez blokadyRodzaj sterowaniasterowanie pilotemPrzyłącze zasilania powietrzem pilotówzewn.Kierunek przepływujednokierunkowySymbol00992123Czas wyłączaniaod 14 MSCzas włączaniaod 6 MSCzas pracy ciągłej100%Materiał suwaka tłokowegoStop aluminium do przeróbki plastycznejPozycja montażudowolnyMaks. dodatni impuls testowy przy sygnale 0od 800 MISMaks. ujemny impuls testowy na 1 sygnaleod 300 MISParametry cewki24 V DC: 1,0 WDopuszczalne wahania napięcia+/- 10 %Medium roboczeSprężone powietrze wg ISO 8573-1:2010 [7:4:4]Uwaga dotycząca medium roboczego/sterującegoMożliwa praca z powietrzem olejonym (po rozpoczęciu olejenia trzeba je kontynuować)Odporność na drganiaSprawdzanie odporności podczas transportu przy drganiach o stopniu intensywności 1 wg FN 942017-4 i EN 60068-2-6Odporność na wstrząsyTest odporności na wstrząsy o stopniu intensywności 1 wg FN942017-5 i EN 60068-2-27Klasa odporności korozyjnej wg normy Festo0 - Brak obciążenia korozyjnegoZgodność z LABSVDMA24364-B1/B2-LTemperatura mediumod -5 do 60 GCPoziom ciśnienia akustycznegood 85 DBATemperatura otoczeniaod -5 do 60 GCWaga produktuod 26.3 GPrzyłącze elektrycznePrzez płytę przyłączeniowąTyp mocowaniana płycie przyłączeniowejPrzyłącze pneumatyczne 1Płyta przyłączeniowaPrzyłącze pneumatyczne 3Płyta przyłączeniowaPrzyłącze pneumatyczne 5Płyta przyłączeniowaInformacja o materiałachZgodność z dyrektywą RoHSMateriał uszczelnieńNBRMateriał obudowyWzmocniony poliamid
Pliki do pobrania:
- Karta Produktu
-
- Brak danych dla tego produktu
Pliki do pobrania:
- Karta Produktu
-
-
Pliki do pobrania:
- Karta Produktu
-
Skontaktuj się z nami wybierając interesujący Cię region



