Tu jesteś:
- VUWG-L10-T32H-A-M5 Zawór pneumatyczny
VUWG-L10-T32H-A-M5 Zawór pneumatyczny FESTO-573807
numer katalogowy: FESTO-573807
kategoria: Uniwersalne zawory rozdzielające
Ocena średnia: Pneumat System nie weryfikuje treści opinii zamieszczanych na stronie internetowej.
(0 opinii)
- Dane produktu
- Dane podstawowe
- Akcesoria
- Zdjęcia
- Dane produktu
- Dane podstawowe
- Zdjęcia
- Akcesoria
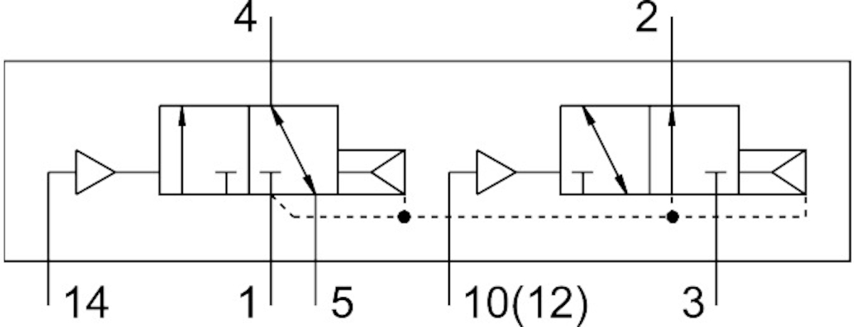
- Funkcja zaworu2x3/2 otwarty/zamknięty monostabilnyWielkość zaworu10 MMKonstrukcjaZawór tłoczkowo-suwakowySposób powrotusprężyna pneumatycznaFunkcja odpowietrzeniaz możliwością dławieniaSposób uszczelnieniamiękkiPomocnicze sterowanie ręcznebrakRodzaj sterowaniabezpośrednieKierunek przepływuRewersyjny z ograniczeniamiSymbol00992935Pokrycieprzekrycie dodatnieCzas wyłączaniaod 9 MSCzas włączaniaod 4 MSPrzyłącze pneumatyczne 4M5Pozycja montażudowolnyMedium roboczeSprężone powietrze wg ISO 8573-1:2010 [7:4:4]Uwaga dotycząca medium roboczego/sterującegoMożliwa praca z powietrzem olejonym (po rozpoczęciu olejenia trzeba je kontynuować)Klasa odporności korozyjnej wg normy Festo2 - średnie obciążenie korozyjneZgodność z LABSVDMA24364-B1/B2-LTemperatura mediumod -5 do 50 GCMedium sterujące (dla pilotów)Sprężone powietrze wg ISO 8573-1:2010 [7:4:4]Temperatura otoczeniaod -5 do 60 GCWaga produktuod 48 GTyp mocowaniaopcjonalnie:Przyłącze pneumatyczne 1M5Przyłącze pneumatyczne 2M5Przyłącze pneumatyczne 3M5Przyłącze pneumatyczne 5M5Informacja o materiałachZgodność z dyrektywą RoHSMateriał uszczelnieńHNBRMateriał obudowyAluminium
Pliki do pobrania:
- Karta Produktu
-
- Brak danych dla tego produktu
Pliki do pobrania:
- Karta Produktu
-
-
Pliki do pobrania:
- Karta Produktu
-
Skontaktuj się z nami wybierając interesujący Cię region



