Tu jesteś:
- VABF-S4-1-V2B1-C-VH-20 Blok podciśnienia
VABF-S4-1-V2B1-C-VH-20 Blok podciśnienia FESTO-571425
numer katalogowy: FESTO-571425
kategoria: Elementy funkcyjne
Ocena średnia: Pneumat System nie weryfikuje treści opinii zamieszczanych na stronie internetowej.
(0 opinii)
- Dane produktu
- Dane podstawowe
- Akcesoria
- Zdjęcia
- Dane produktu
- Dane podstawowe
- Zdjęcia
- Akcesoria
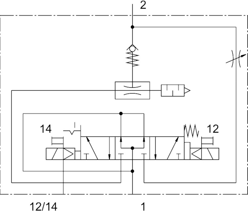
- Klasa odporności korozyjnej wg normy Festo0 - Brak obciążenia korozyjnegoZgodność z LABSVDMA24364-strefa IIIPozycja montażudowolnyPomocnicze sterowanie ręcznez blokadąKonstrukcjaniemodułowySymbol00995768Funkcja zaworu5/3 zasilonyFunkcja elementu przełączającegoNormalnie otwartyCzas pracy ciągłej100%Parametry cewki24 V DC: 1,3 WMedium roboczeSprężone powietrze wg ISO 8573-1:2010 [7:4:4]Uwaga dotycząca medium roboczego/sterującegoPraca z olejonym powietrzem nie jest możliwaTemperatura mediumdo 50 GCPrzyłącze pneumatyczne 3Płyta przyłączeniowa wielkość 26 mm wg ISO 15407-2Stopień ochronyIP65Temperatura otoczeniado 50 GCWaga produktuod 1120 GTyp mocowaniana płycie przyłączeniowejInformacja o materiałachZgodność z dyrektywą RoHSMateriał uszczelnieńNBRMateriał obudowyStop aluminium do przeróbki plastycznejMateriał śrubStal
Pliki do pobrania:
- Karta Produktu
-
- Brak danych dla tego produktu
Pliki do pobrania:
- Karta Produktu
-
-
Pliki do pobrania:
- Karta Produktu
-
Skontaktuj się z nami wybierając interesujący Cię region



