Tu jesteś:
- VUVG-L10-T32H-AZT-M7-1P3 Elektrozawór
VUVG-L10-T32H-AZT-M7-1P3 Elektrozawór FESTO-566481
numer katalogowy: FESTO-566481
kategoria: Uniwersalne zawory rozdzielające
Ocena średnia: Pneumat System nie weryfikuje treści opinii zamieszczanych na stronie internetowej.
(0 opinii)
- Dane produktu
- Dane podstawowe
- Akcesoria
- Zdjęcia
- Dane produktu
- Dane podstawowe
- Zdjęcia
- Akcesoria
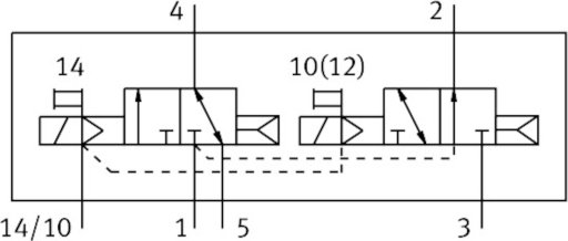
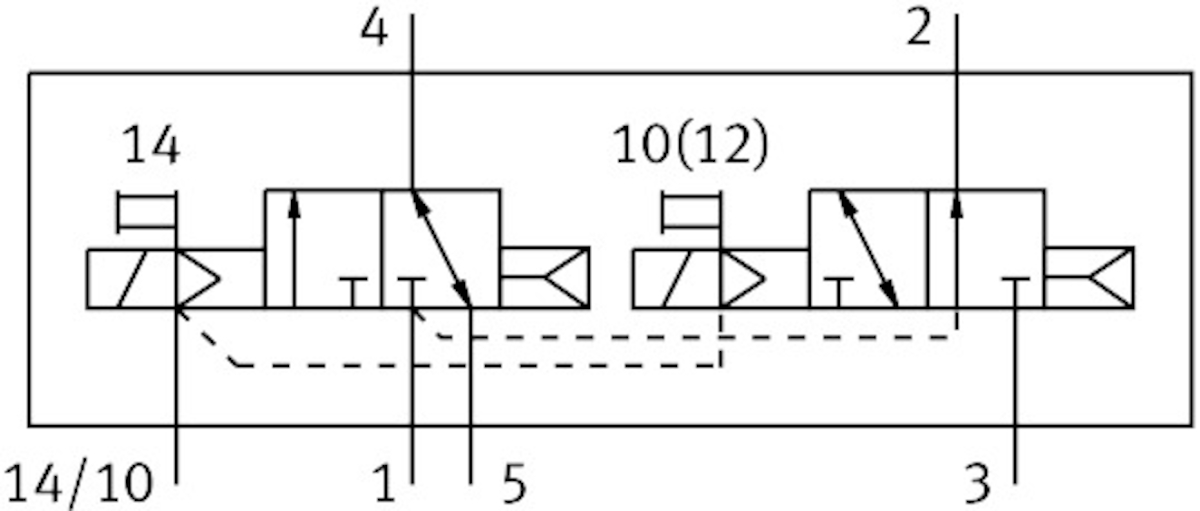
- Funkcja zaworu2x3/2 otwarty/zamknięty monostabilnyWielkość zaworu10 MMStopień ochronyIP40Ciśnienie robocze/MPAod 0.15 do 1 MPACiśnienie robocze/BARod 1.5 do 10 BARKonstrukcjaZawór tłoczkowo-suwakowySposób powrotusprężyna pneumatycznaFunkcja odpowietrzeniaz możliwością dławieniaSposób uszczelnieniamiękkiPomocnicze sterowanie ręcznez blokadąRodzaj sterowaniasterowanie pilotemPrzyłącze zasilania powietrzem pilotówzewn.Symbol00992927Pokrycieprzekrycie dodatnieCzas wyłączaniaod 15 MSCzas włączaniaod 6 MSCzas pracy ciągłej100%Przyłącze pneumatyczne 4M7Pozycja montażudowolnyCertyfikacjaRCM MarkMaks. dodatni impuls testowy przy sygnale 0od 700 MISMaks. ujemny impuls testowy na 1 sygnaleod 900 MISParametry cewki24 V DC: 1,0 WDopuszczalne wahania napięcia+/- 10 %Medium roboczeSprężone powietrze wg ISO 8573-1:2010 [7:4:4]Uwaga dotycząca medium roboczego/sterującegoMożliwa praca z powietrzem olejonym (po rozpoczęciu olejenia trzeba je kontynuować)Odporność na drganiaTest odporności podczas transportu przy drganiach o stopniu intensywności 2 wg FN 942017-4 i EN 60068-2-6Odporność na wstrząsyTest odporności na wstrząsy o stopniu intensywności 2 wg FN 942017-5 i EN 60068-2-27Klasa odporności korozyjnej wg normy Festo2 - średnie obciążenie korozyjneZgodność z LABSVDMA24364-B1/B2-LTemperatura mediumod -5 do 60 GCMedium sterujące (dla pilotów)Sprężone powietrze wg ISO 8573-1:2010 [7:4:4]Temperatura otoczeniaod -5 do 60 GCWaga produktuod 97 GPrzyłącze elektryczneprzez elektryczną płytę przyłączeniowąTyp mocowaniaopcjonalnie:Przyłącze pneumatyczne 1M7Przyłącze pneumatyczne 2M7Przyłącze pneumatyczne 3M7Przyłącze pneumatyczne 5M7Informacja o materiałachZgodność z dyrektywą RoHSMateriał uszczelnieńHNBRMateriał obudowyStop aluminium do przeróbki plastycznej
Pliki do pobrania:
- Karta Produktu
-
- Brak danych dla tego produktu
Pliki do pobrania:
- Karta Produktu
-
-
Pliki do pobrania:
- Karta Produktu
-
Skontaktuj się z nami wybierając interesujący Cię region



