Tu jesteś:
- VSVA-B-T22C-AZD-D2-1T1L Elektrozawór
VSVA-B-T22C-AZD-D2-1T1L Elektrozawór FESTO-560831
numer katalogowy: FESTO-560831
kategoria: Znormalizowane zawory rozdzielające
Ocena średnia: Pneumat System nie weryfikuje treści opinii zamieszczanych na stronie internetowej.
(0 opinii)
- Dane produktu
- Dane podstawowe
- Akcesoria
- Zdjęcia
- Dane produktu
- Dane podstawowe
- Zdjęcia
- Akcesoria
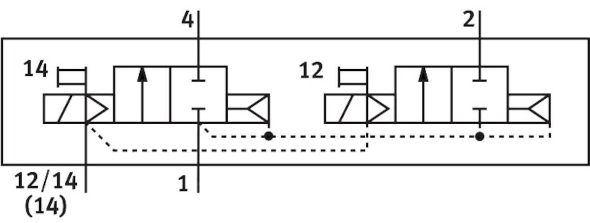
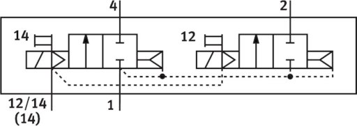
- Funkcja zaworu2x2/2 zamknięty monostabilnyStopień ochronyIP65Ciśnienie robocze/MPAod 0.3 do 1 MPACiśnienie robocze/BARod 3 do 10 BARKonstrukcjaZawór tłoczkowo-suwakowyFunkcja odpowietrzeniaz możliwością dławieniaSposób uszczelnieniamiękkiPomocnicze sterowanie ręcznez blokadąRodzaj sterowaniasterowanie pilotemPrzyłącze zasilania powietrzem pilotówzewn.Kierunek przepływujednokierunkowySymbol00992246Wskaźnik stanu sygnałuLEDPrzepływ zaworu4000 L2Przepływ zaworu na pojedynczej płycie przyłączeniowejod 3400 L2Przepływ zaworu, zabudowanego na bloku pneumatycznymod 2800 L2Czas wyłączaniaod 35 MSCzas włączaniaod 14 MSCzas pracy ciągłej100%Przyłącze pneumatyczne 4Płyta przyłączeniowa wielkość 2 wg ISO 5599-2Pozycja montażudowolnyCertyfikacjac UL us - Recognized (OL)Spełnia normęISO 5599-2Znak KCKC-EMVZnak CE (patrz deklaracja zgodności)Zgodnie z dyrektywą kompatybilności elektromagnetycznej UEMaks. dodatni impuls testowy przy sygnale 0od 1000 MISMaks. ujemny impuls testowy na 1 sygnaleod 3500 MISParametry cewki24 V DC: 4,6 WDopuszczalne wahania napięcia+/- 10 %Medium roboczeSprężone powietrze wg ISO 8573-1:2010 [7:4:4]Uwaga dotycząca medium roboczego/sterującegoMożliwa praca z powietrzem olejonym (po rozpoczęciu olejenia trzeba je kontynuować)Odporność na drganiaTest odporności podczas transportu przy drganiach o stopniu intensywności 2 wg FN 942017-4 i EN 60068-2-6Odporność na wstrząsyTest odporności na wstrząsy o stopniu intensywności 2 wg FN 942017-5 i EN 60068-2-27Klasa odporności korozyjnej wg normy Festo0 - Brak obciążenia korozyjnegoZgodność z LABSVDMA24364-B1/B2-LTemperatura mediumod -5 do 50 GCTemperatura otoczeniaod -5 do 50 GCWaga produktuod 740 GPrzyłącze elektrycznePlug-inTyp mocowaniana płycie przyłączeniowejPrzyłącze pneumatyczne 1Płyta przyłączeniowa wielkość 2 wg ISO 5599-2Przyłącze pneumatyczne 2Płyta przyłączeniowa, wielkość 2 wg ISO 5599-2Przyłącze pneumatyczne 3Płyta przyłączeniowa wielkość 2 wg ISO 5599-2Przyłącze pneumatyczne 5Płyta przyłączeniowa wielkość 2 wg ISO 5599-2Informacja o materiałachZgodność z dyrektywą RoHSMateriał uszczelnieńFPMMateriał obudowyAluminiowy odlew ciśnieniowyMateriał śrubStal, ocynkowana
Pliki do pobrania:
- Karta Produktu
-
- Brak danych dla tego produktu
Pliki do pobrania:
- Karta Produktu
-
-
Pliki do pobrania:
- Karta Produktu
-
Skontaktuj się z nami wybierając interesujący Cię region



