Tu jesteś:
- CPV14-M1H-2X2-GLS-K-1/8 Elektrozawór
CPV14-M1H-2X2-GLS-K-1/8 Elektrozawór FESTO-559652
numer katalogowy: FESTO-559652
kategoria: Uniwersalne wyspy zaworowe
Ocena średnia: Pneumat System nie weryfikuje treści opinii zamieszczanych na stronie internetowej.
(0 opinii)
- Dane produktu
- Dane podstawowe
- Akcesoria
- Zdjęcia
- Dane produktu
- Dane podstawowe
- Zdjęcia
- Akcesoria
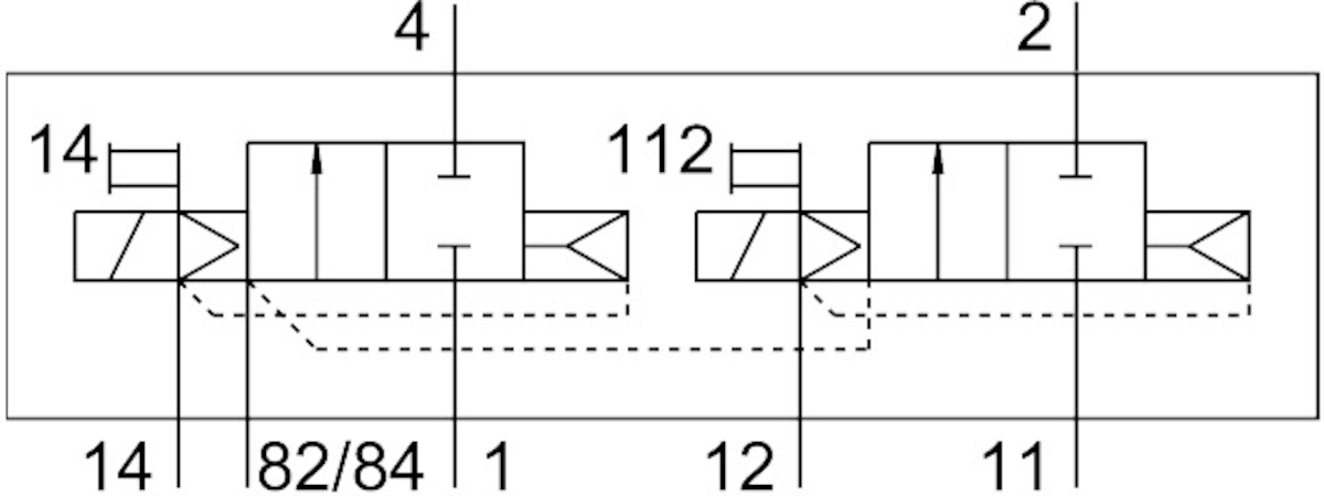
- Funkcja zaworu2x2/2 zamknięty monostabilnyWielkość zaworu14 MMStopień ochronyIP65Ciśnienie robocze/MPAod -0.09 do 1 MPACiśnienie robocze/BARod -0.9 do 10 BARKonstrukcjaZawór tłoczkowo-suwakowySposób powrotusprężyna pneumatycznaFunkcja odpowietrzeniabez dławieniaSposób uszczelnieniamiękkiPomocnicze sterowanie ręcznez blokadąRodzaj sterowaniasterowanie pilotemPrzyłącze zasilania powietrzem pilotówzewn.Kierunek przepływujednokierunkowySymbol00991801Pokrycieprzekrycie dodatnieWartość bod 0.37Wartość Cod 3.2 LSBCzas wyłączaniaod 16 MSCzas włączaniaod 13 MSCzas pracy ciągłej100% w połączeniu z redukcją prądu podtrzymaniaPrzyłącze pneumatyczne 4G1/8Pozycja montażudowolnyMaks. dodatni impuls testowy przy sygnale 0od 1400 MISMaks. ujemny impuls testowy na 1 sygnaleod 400 MISMedium roboczeSprężone powietrze wg ISO 8573-1:2010 [7:4:4]Uwaga dotycząca medium roboczego/sterującegoMożliwa praca z powietrzem olejonym (po rozpoczęciu olejenia trzeba je kontynuować)Odporność na drganiaTest odporności podczas transportu przy drganiach o stopniu intensywności 2 wg FN 942017-4 i EN 60068-2-6Odporność na wstrząsyTest odporności na wstrząsy o stopniu intensywności 2 wg FN 942017-5 i EN 60068-2-27Klasa odporności korozyjnej wg normy Festo2 - średnie obciążenie korozyjneZgodność z LABSVDMA24364-B1/B2-LTemperatura mediumod -5 do 50 GCTemperatura otoczeniaod -5 do 50 GCWaga produktuod 120 GTyp mocowaniaPrzy pomocy otworów przelotowychPrzyłącze pneumatyczne 1Wspólny port z separacją ciśnieniowąPrzyłącze pneumatyczne 2G1/8Informacja o materiałachZgodność z dyrektywą RoHSMateriał uszczelnieńHNBRMateriał obudowyAluminiowy odlew ciśnieniowy
Pliki do pobrania:
- Karta Produktu
-
- Brak danych dla tego produktu
Pliki do pobrania:
- Karta Produktu
-
-
Pliki do pobrania:
- Karta Produktu
-
Skontaktuj się z nami wybierając interesujący Cię region



