Tu jesteś:
- VSPA-B-T32H-A1 Zawór pneumatyczny
VSPA-B-T32H-A1 Zawór pneumatyczny FESTO-546713
numer katalogowy: FESTO-546713
kategoria: Znormalizowane zawory rozdzielające
Ocena średnia: Pneumat System nie weryfikuje treści opinii zamieszczanych na stronie internetowej.
(0 opinii)
- Dane produktu
- Dane podstawowe
- Akcesoria
- Zdjęcia
- Dane produktu
- Dane podstawowe
- Zdjęcia
- Akcesoria
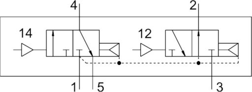
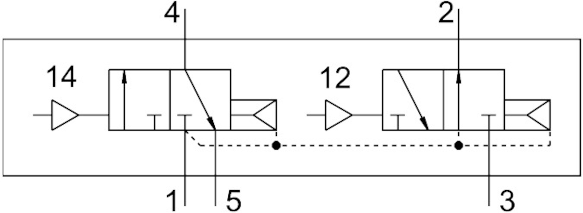
- Funkcja zaworu2x3/2 otwarty/zamknięty monostabilnyKonstrukcjaZawór tłoczkowo-suwakowySposób powrotusprężyna pneumatycznaFunkcja odpowietrzeniaz możliwością dławieniaSposób uszczelnieniamiękkiRodzaj sterowaniabezpośrednieKierunek przepływujednokierunkowySymbol00991987Pokrycieprzekrycie dodatniePrzepływ zaworu1250 L2Przepływ zaworu na pojedynczej płycie przyłączeniowejod 1000 L2Przepływ zaworu, zabudowanego na bloku pneumatycznymod 900 L2Czas wyłączaniaod 28 MSCzas włączaniaod 15 MSMaks. moment dokręcenia, mocowanie zaworuod 1.8 do 2.2 NMPrzyłącze pneumatyczne 4Płyta przyłączeniowa wielkość 26 mm wg ISO 15407-1Pozycja montażudowolnySpełnia normęISO 15407-1Medium roboczeSprężone powietrze wg ISO 8573-1:2010 [7:4:4]Uwaga dotycząca medium roboczego/sterującegoMożliwa praca z powietrzem olejonym (po rozpoczęciu olejenia trzeba je kontynuować)Klasa odporności korozyjnej wg normy Festo0 - Brak obciążenia korozyjnegoZgodność z LABSVDMA24364-B1/B2-LTemperatura mediumod -10 do 60 GCMedium sterujące (dla pilotów)Sprężone powietrze wg ISO 8573-1:2010 [7:4:4]Temperatura otoczeniaod -10 do 60 GCWaga produktuod 180 GPrzyłącze pneumatyczne 1Płyta przyłączeniowa, wielkość 26 mm wg ISO 15407-1Przyłącze pneumatyczne 2Płyta przyłączeniowa, wielkość 26 mm wg ISO 15407-1Przyłącze pneumatyczne 3Płyta przyłączeniowa wielkość 26 mm wg ISO 15407-1Przyłącze pneumatyczne 5Płyta przyłączeniowa wielkość 26 mm wg ISO 15407-1Informacja o materiałachZgodność z dyrektywą RoHSMateriał uszczelnieńNBRMateriał obudowyAluminiowy odlew ciśnieniowyMateriał śrubStal
Pliki do pobrania:
- Karta Produktu
-
- Brak danych dla tego produktu
Pliki do pobrania:
- Karta Produktu
-
-
Pliki do pobrania:
- Karta Produktu
-
Skontaktuj się z nami wybierając interesujący Cię region



