Tu jesteś:
- VSVA-B-T32U-AH-A1-1C1 Elektrozawór
VSVA-B-T32U-AH-A1-1C1 Elektrozawór FESTO-546694
numer katalogowy: FESTO-546694
kategoria: Znormalizowane zawory rozdzielające
Ocena średnia: Pneumat System nie weryfikuje treści opinii zamieszczanych na stronie internetowej.
(0 opinii)
- Dane produktu
- Dane podstawowe
- Akcesoria
- Zdjęcia
- Dane produktu
- Dane podstawowe
- Zdjęcia
- Akcesoria
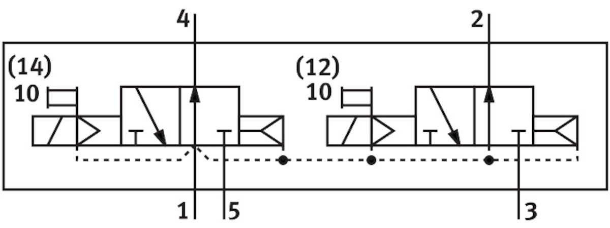
- Funkcja zaworu2x3/2 otwarty, monostabilnyWielkość zaworu26 MMStopień ochronyIP65Ciśnienie robocze/MPAod 0.2 do 1 MPACiśnienie robocze/BARod 2 do 10 BARKonstrukcjaZawór tłoczkowo-suwakowySposób powrotusprężyna pneumatycznaFunkcja odpowietrzeniaz możliwością dławieniaSposób uszczelnieniamiękkiPomocnicze sterowanie ręcznebez blokadyRodzaj sterowaniasterowanie pilotemPrzyłącze zasilania powietrzem pilotówwew.Kierunek przepływujednokierunkowySymbol00992809Pokrycieprzekrycie dodatnieWskaźnik stanu sygnałuLEDPrzepływ zaworu1250 L2Przepływ zaworu na pojedynczej płycie przyłączeniowejod 1000 L2Przepływ zaworu, zabudowanego na bloku pneumatycznymod 900 L2Czas wyłączaniaod 28 MSCzas włączaniaod 20 MSCzas pracy ciągłej100%Maks. moment dokręcenia, mocowanie zaworuod 1.8 do 2.2 NMPrzyłącze pneumatyczne 4Płyta przyłączeniowa wielkość 26 mm wg ISO 15407-1Pozycja montażudowolnyCertyfikacjac UL us - Recognized (OL)Spełnia normęISO 15407-1Maks. dodatni impuls testowy przy sygnale 0od 1800 MISMaks. ujemny impuls testowy na 1 sygnaleod 800 MISParametry cewki24 V DC: 1,8 WDopuszczalne wahania napięcia-15% / +10%Medium roboczeSprężone powietrze wg ISO 8573-1:2010 [7:4:4]Uwaga dotycząca medium roboczego/sterującegoMożliwa praca z powietrzem olejonym (po rozpoczęciu olejenia trzeba je kontynuować)Odporność na drganiaTest odporności podczas transportu przy drganiach o stopniu intensywności 2 wg FN 942017-4 i EN 60068-2-6Odporność na wstrząsyTest odporności na wstrząsy o stopniu intensywności 2 wg FN 942017-5 i EN 60068-2-27Klasa odporności korozyjnej wg normy Festo0 - Brak obciążenia korozyjnegoZgodność z LABSVDMA24364-B1/B2-LTemperatura mediumod -5 do 50 GCPoziom ciśnienia akustycznegood 85 DBAMedium sterujące (dla pilotów)Sprężone powietrze wg ISO 8573-1:2010 [7:4:4]Temperatura otoczeniaod -5 do 50 GCWaga produktuod 305 GPrzyłącze elektryczneKształt CTyp mocowaniana płycie przyłączeniowejPrzyłącze pneumatyczne 1Płyta przyłączeniowa, wielkość 26 mm wg ISO 15407-1Przyłącze pneumatyczne 2Płyta przyłączeniowa, wielkość 26 mm wg ISO 15407-1Przyłącze pneumatyczne 3Płyta przyłączeniowa wielkość 26 mm wg ISO 15407-1Przyłącze pneumatyczne 5Płyta przyłączeniowa wielkość 26 mm wg ISO 15407-1Interfejs pilotawg ISO 15218Informacja o materiałachZgodność z dyrektywą RoHSMateriał uszczelnieńHNBRMateriał obudowyAluminiowy odlew ciśnieniowyMateriał śrubStal
Pliki do pobrania:
- Karta Produktu
-
- Brak danych dla tego produktu
Pliki do pobrania:
- Karta Produktu
-
-
Pliki do pobrania:
- Karta Produktu
-
Skontaktuj się z nami wybierając interesujący Cię region



